Ищем...

Замена кнопок задних стекло подъемников Mercedes ML W163

8K
5
0

На автомобиле Mercedes ML W163, одна из кнопок заднего стекло подъемника сломана. Оригинальный блок кнопок стоит около 100 долларов. Да, и дизайн кнопок желает только лучшего! В целях экономии можно купить «десятошные» кнопки. В данном фото отчёте подробно описана процедура замены кнопок задних стекло подъемников Mercedes ML W163.

Стоит обратить внимание что замена кнопок производилась не на оригинальные, а на кнопки из под ВАЗ 2110.

Источник: big-benz.ru

Step 1
1

Необходимо иметь в наличии 2 новые кнопки.

Step 2
2

А также 2 новых разъёма.

Step 3
3

Первым делом открываем подлокотник и отворачиваем 2 самореза внизу ящика.

Далее вынимаем подлокотник.

После отключаем два разъема электропроводки.

На самом блоке стекло подъемников по всему периметру защелки, осторожно при помощи отвертки поддеваем и вынимаем блок.

Берем напильник и не много дорабатываем проем.

Step 4
4
Step 5
5

Так же делаем и второй проем.

Step 6
6

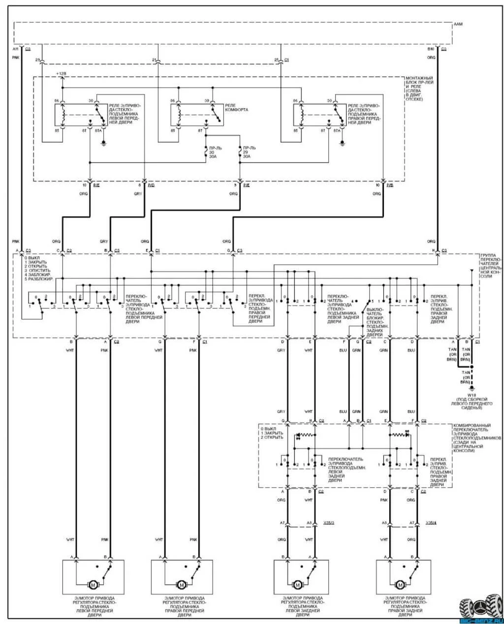
Схема проводки стеклоподъмника.

Step 7
7

Скручиваем проводки кнопки стеклоподъемника и штекера.

Step 8
8

Должен получится такой результат.

Step 9
9

Было ли это руководство полезным?

Ваш отзыв помогает нам улучшать контент.

Не нашли ответ на свой вопрос?
Спрашивайте в комментариях. Ответим обязательно!

Обсуждение (0)

Войдите, чтобы оставить комментарий!
Войти

Пока нет комментариев!