Замена радиатора Mazda Verisa
Обычно для устранения неисправности в работе радиатора Mazda Verisa хватает ремонта. Он помогает ликвидировать течь, устранить загрязнение или ржавчину, а также исправить небольшой дефект, появившийся в результате механического повреждения. При более серьезных проблемах восстановить работу системы охлаждения позволит лишь полная замена радиатора, а может и еще нескольких элементов.

Что укажет на неисправность в работе радиатора Mazda Verisa?
- отклонения от нормальной температуры во время работы двигателя;
- появление следов течи и соответствующего запаха.
В некоторых случаях обычный осмотр позволит определить наличие проблем. Для того чтобы убедиться в предположении о неисправности радиатора Mazda Verisa стоит обратиться за диагностикой к специалистам. В автосервисе имеются особые инструменты, которые позволят точно определить место протечки и степень изношенности детали.
Как провести демонтаж и установку?
Несмотря на слова опытных механиков, произвести демонтаж можно даже без должного опыта. Соблюдая алгоритм, главное не нарушать последовательность снятия и установки деталей и быть предельно внимательным. От этого зависит дальнейшая эксплуатация автомобиля и скорость износа его деталей.
С толикой уверенности можно подготовить слесарные инструменты, которые найдутся в гараже, купить новый радиатор и рабочую жидкость, а затем ознакомиться с инструкцией от производителя Mazda Verisa. В ней вы сможете найти изображение последовательности снятия деталей, которое позволит лучше понять весь процесс.
Категорически не рекомендуем брать б/у деталь. Она может скрывать ремонт или другие дефекты, незаметные на первый взгляд. Что касается нового радиатора, то выйдет он где-то 60-80 долларов. Цена зависит от продавца, бренда и страны производителя детали.
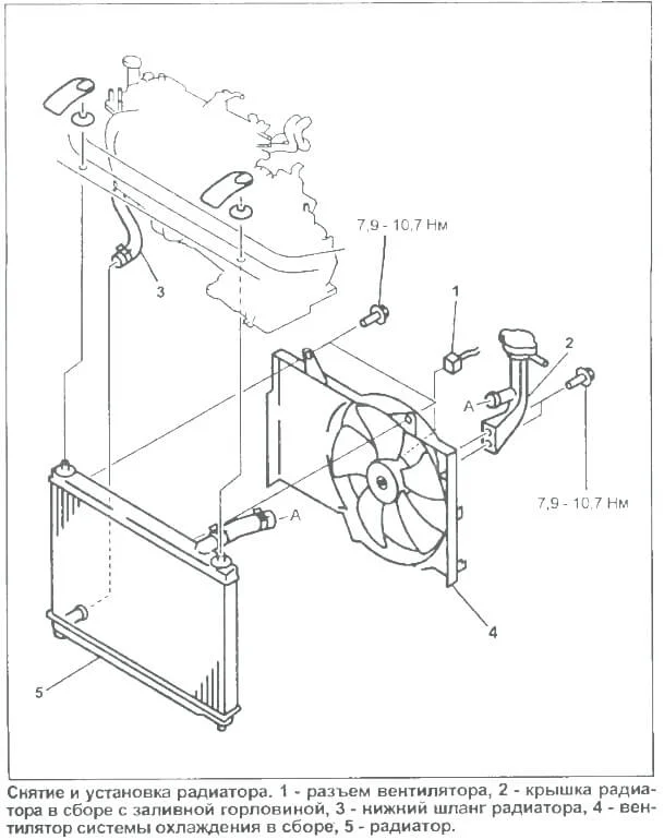
Ниже вы найдете полезный информационный материал о замене радиатора Mazda Verisa от производителя:


Была ли эта статья полезной?
Ваш отзыв помогает нам улучшать контент.
Обсуждение (0)
Пока нет комментариев!