Нужна электросхема Чери Фейс 1.3 16v. Brasil
Chery Kimo (A1) Kimo (A1)
Boa tarde, gostaria saber se vocês possuem o ESQUEMA DIAGRAMA ELÉTRICO do Chery Face 1.3 16v. Brasil
Добрый день. Я хотел бы знать, если у вас есть электрическая схема Chery Face 1.3 16v. Бразилия
1 Ответы
0

Ваш автомобиль «Chery Face»
это Nomes alternativos
Chery A1 (Rússia),
Chery Kimo (Austrália),
Chery J1 (África do Sul)
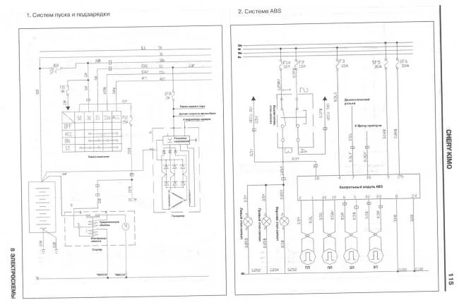
Схемы можете посмотреть Здесь ...
задан 6 лет назад
Ahatonñ muito obrigado mesmo. Gratidão. Ахатон, большое спасибо. Благодарность.
–
Alan guerra
6 лет назад
Похожие материалы
Какой аккумулятор подобрать на Чери Кимо?
Qa
422
2
EPC загорается во время езды, Чери А1
Qa
10.1k
3
Загорелся индикатор неисправности систем управления двигателем Чери А1
Qa
3.6k
2
Сигнализация не отключается на Чери Кимо
Qa
6.1k
3
Не горят задние стоп сигналы на Chery Kimo
Qa
6.2k
1
Стрелка температуры прыгает иногда в Чери Кимо
Qa
7.2k
1