Где находится датчик коленвала в Митсубиси Лансер 7?
Mitsubishi Lancer Lancer VII
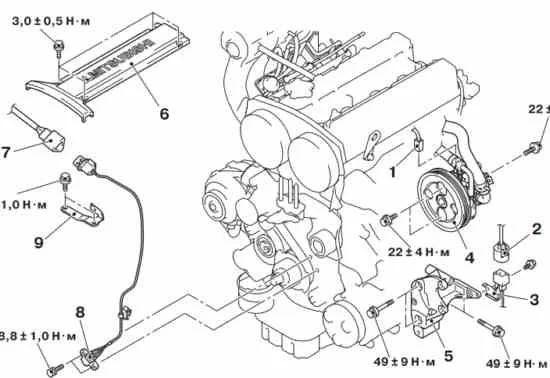
Подскажите схематически где находится датчик коленвала и как его поменять или проверить?
1 Ответы
0
Датчик коленвала на схеме №8


задан 6 лет назад
Похожие материалы
Ремонт гидрокомпенсаторов
Видео
27.9k
9
5
Гнёт ли клапана на Лансере 9?
Qa
2.7k
1
Какой должен быть зазор клапанов на Митцубиси Лансер, 1,3?
Qa
2k
1
Как проверить датчик коленвала?
Статьи
847.8k
479
18
Пробило прокладку ГБЦ — как узнать?
Статьи
816.5k
890
28
Как почистить дроссельную заслонку
Статьи
659.5k
545
15