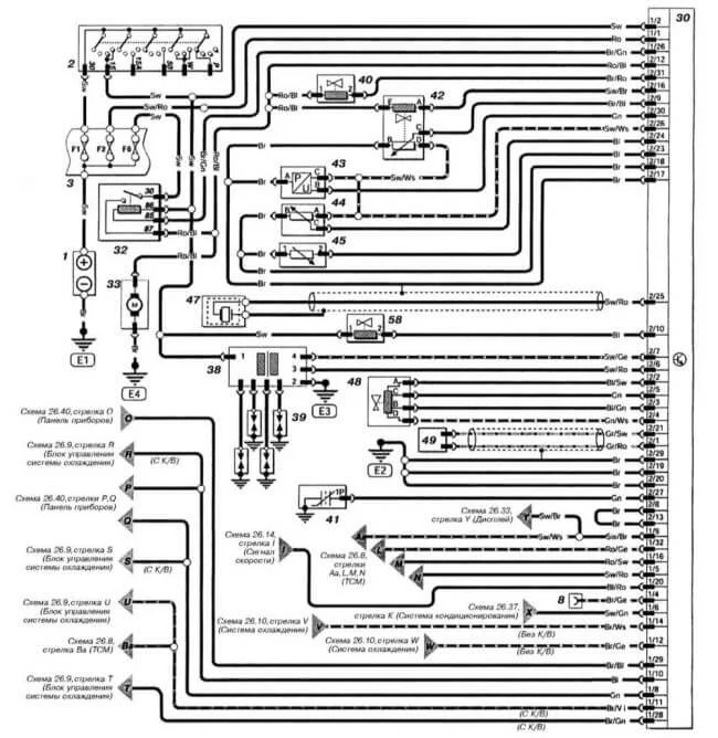
Нужна распиновка разьема ЭБУ Опель Зафира 2008, 1,6
Opel Zafira Zafira B
1 Ответы
1
Первая схема X16XEL, вторая X16SZR


Здесь номера позиций расписаны










задан 10 лет назад
Похожие материалы
Отказ центрального замка Опель Зафира Б
Qa
333
1
Пропадает звук на магнитоле, дворники останавливаются в Опель Зафира Б
Qa
487
1
Ошибка 008766 в Опель Зафира Б 1.7 сдти
Qa
2.5k
2
Ошибки Р2146, Р0683, С0244, С0240 в Опель Зафира Б 1.7 дизель
Qa
1.3k
1
Нужна инструкция по замене блока TPMS Опель Зафира Б
Qa
509
1
Где находится блок контроля давления в шинах Опель Зафира Б?
Qa
1.1k
1