Нужна схема поворотов Тойота Королла Е90
Toyota Corolla Corolla VI (E90)
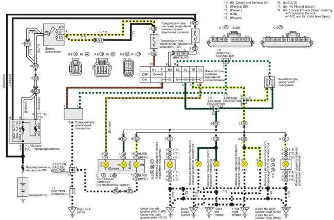
Не работают повороты и аварийная сигнализация, нужна схема
1 Ответы
0
Типовая схема поворотов «Toyota Corolla»

задан 7 лет назад
Похожие материалы
Как подключить сигнализацию на Тойота Королла 6?
Qa
789
1
Замена подшипников и щеток, в стартере Тойота
Qa
2.1k
1
Где находиться реле свечей накала на Тойота Королла?
Qa
3.8k
1
Проблемы с электрикой автомобиля Тойота Королла
Qa
2.5k
1
Глохнет Тойота Королла Е90
Qa
1.4k
1
Расположение предохранителя салонного света
Qa
2.7k
1