Как подключены вакуумные трубки на трамблер и карбюратор Форд Транзит 2.0?
Ford Transit Transit IV
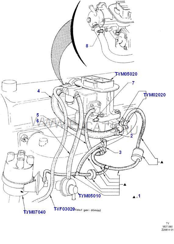
Добрый день. Может осталось фото или сможете подсказать как подключены вакуумные трубки на трамблер и карбюратор(обеднение смеси при прогреве). Трамблер с 2 выходами под вакуумные трубки. Форд Транзит, 1991, 2.0, бензин, как в вашем отчете о ремонте головки
1 Ответы
0

№№ 1, 5, 6 — вакуумные
задан 4 года назад
Похожие материалы
Разрушается резиновый наконечник клапана остановки двигателя Форд Транзит
Qa
199
1
Перестал заводится Форд Транзит 4
Qa
4.5k
4
Можно ли отрегулировать неподходящую форсунку?
Qa
2.1k
1
Переливает бензин моноинжектор Форд Транзит 4
Qa
757
1
Нет впрыска с форсунки при запуске ДВС в Форд Транзит, автобус
Qa
2.2k
1
Как проверить адсорбер
Статьи
354.8k
330
34