Ищем...

Где находится реле на задний стеклоочиститель?

Audi A6 A6 II (C5)

Всем привет! Может кто подскажет где находится реле на задний дворник, а то включаешь он вообще не реагирует, — предохранители все целые. Что делать — не знаю...

0
задан 13 лет назад
спросил аноним
29.2k просмотров

2 Ответы

1

Предлагаю попробовать проще:

— Снять кожух рулевой колонки (сразу видны места пайки контактов подрулевого);

— Перемнуть их проволочкой (чтобы убедиться, что это они), припаиваешь к этим контактам концевик.

При таком изменении работа стеклоочестителей будет следующая :

Кнопка держится — вода льётся и дворник машет, пускается – вода перестает литься, а дворник 2 раза махнет и в исходное. А при кратковременном (двойном нажатии), будет работать без воды «через раз».

задан 13 лет назад
0

Реле находится в коробке под капотом (блок реле), в левом переднем угле. Там на крышке написаны назначения реле и термопредохранителей.

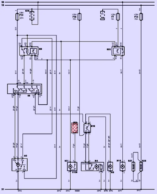
Схема стеклоочистителей (омывателей)Электросхема стеклоочистителей

Задний дворник М4, его реле К10. Если замкнуть контакты в гнезде реле 2 и 6 (контакты реле 15 и 53), то при включенном зажигании задний дворник по идее должен непрерывно работать. Если работает — проблема в подрулевом выключателе (горизонтальная планка с реле самое правое сдвоенное); Если не работает — проблема в проводке или концевом выключателе внутри мотора (самом моторе). Как правило, переламываются провода в жгуте задней двери, вверху слева. По этому стоит прозвонить.

А вообще-то на Ауди является «болезнью» подрулевой переключатель «умирает», контакт обгорает и окисляется. Через то, что включения моторчика омывателя происходит напрямую через контакты подрулевого, а не через реле, у него постоянно обгорают контакты, эти же контакты включают реле дворника и поэтому он и не включается.

По этому чтобы решить данную проблему предлагаю следующее решение:

Сначала надо разобрать подрулевой и почистить контакты. Собрать, проверить работу. Дальше по стандартной схеме сделать включение моторчика омывателя через стандартное реле с контактами НО (нормально открытыми), например от ВАЗа, для этого достаточно купить колодку и саму релюху. В цепь, где стоял моторчик омывателя, включаешь обмотку реле. Моторчик подключаешь через НО контактами реле напрямую к "+" взятому например с заднего плафона (неважно) и "-" с корпуса.

Желательно добавить в цепь еще дополнительный предохранитель.