Где находится термостат Chrysler Voyager II?
Chrysler Voyager Voyager III
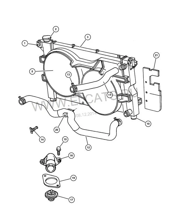
Где находится термостат на Вояджере 3.3 2000 г.в.?
1 Ответы
1

Термостат — № 17.
задан 11 лет назад
Похожие материалы
Вентилятор охлаждения срабатывает произвольно в Крайслер Вояджер 3
Qa
8.2k
3
Периодически пропадает подача теплого воздуха в салон автомобиля
Qa
2.2k
1
Где слив антифриза в дизельном Крайслер Вояджер?
Qa
1.7k
1
Чем промыть систему охлаждения двигателя?
Статьи
572.2k
466
10
Неисправности помпы
Статьи
464.9k
281
2
Как можно выгнать воздушную пробку из системы охлаждения
Статьи
390.6k
345
5