Как подключить контактную группу на Опель Омега B?
Opel Omega Omega B
Здравствуйте! я хотел бы узнать, как подключить контактную группу замка зажигания на Опель Омега B класса седан 1995 год выпуска двигатель 2.0 16v 100kw
2 Ответы
Не совсем понятен вопрос. Контактная группа подключается по схеме. Если нет желания покупать книжку за деньги, то можете скачать в интернете, там все расписано по пунктам. Можете глянуть тут к примеру carsbk.ru
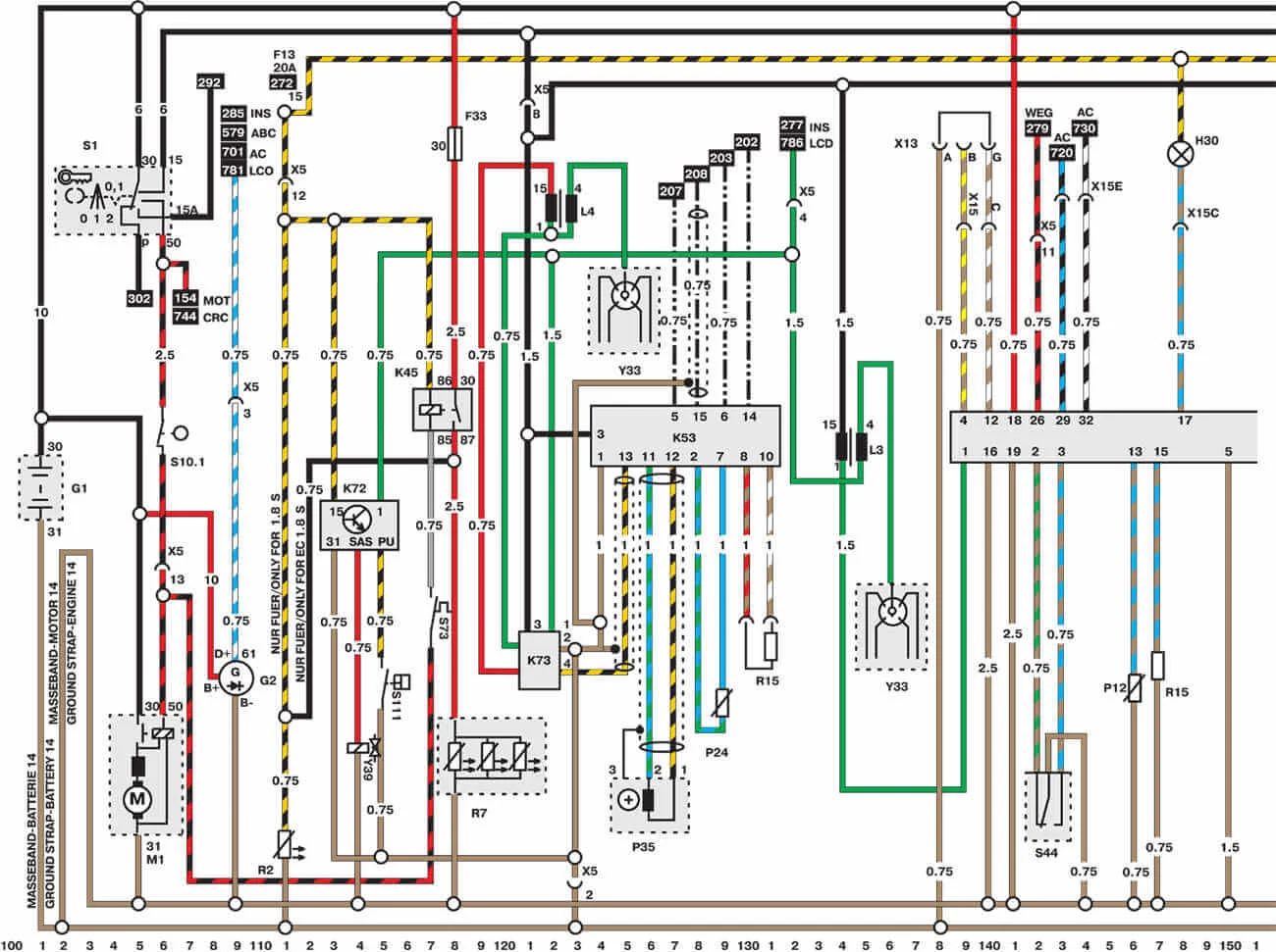
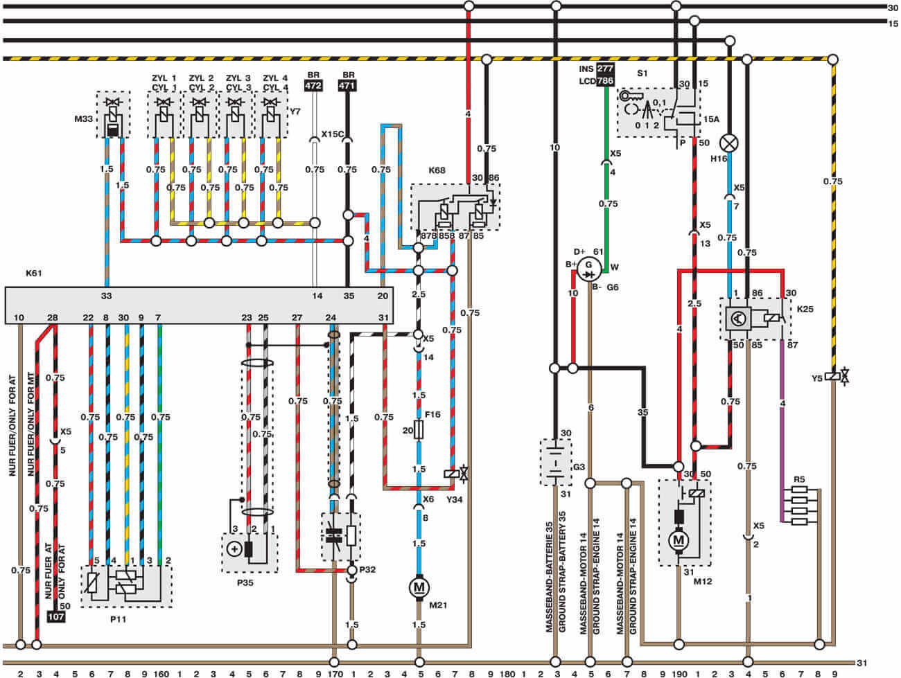
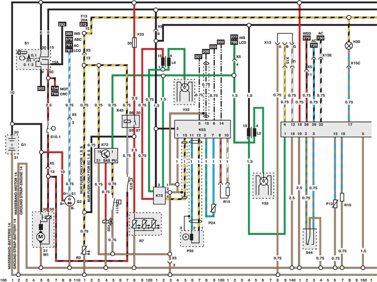
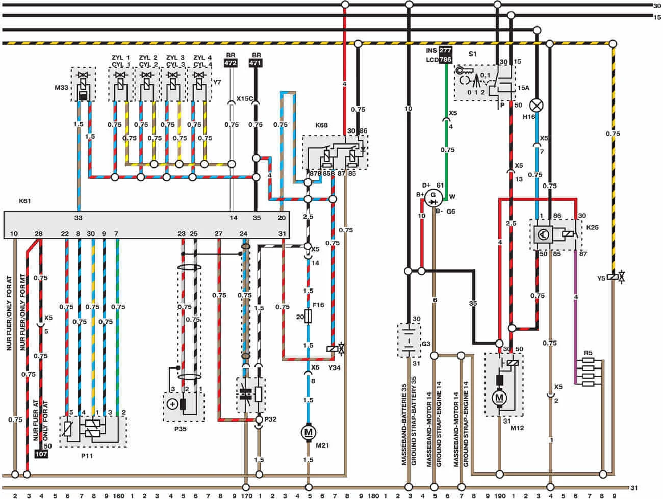
вот схемы прилагаются:
Самый толстый чёрный — на нём присутствует плюс всегда, хотя я в этом не сильно уверен, может постоянное питание приходит не чёрным толстым, а красным проводом. Поэтому, для начала нужно взять в руки любой пробник и найти на проводах тот, на котором присутствует плюс. После чего, красный с чёрными полосками отставить в сторону и последовательно приматывать к плюсу все другие провода поочерёдно, запоминая-проверяя, что в питании авто изменится-появится. Их там два или три толстых-чёрных, на одном есть плюс всегда, второй и третий надо к нему примотать, при этом, если включить габариты — должна заработать подсветка приборки и включается печка. хотя, кажется, чёрный потоньше — обозначенный на схеме 302 как раз и уходит на переключатель подфарников и соответственно, освещение. Провод с номером 292 — на замке как 15а — печка.
В общем, все чёрные скручиваешь в кучку, а толстый красный с чёрными полосками — кратковременно прижимаешь к этой скрутке.

