Как поменять правильно тормозной ваккуум на Пассате Б3?
Volkswagen Passat Passat B3
Бывший хозяин поменял на китайский, месяц назад. Всё было нормально, но сейчас двигатель троит, тормоза никакие — надо в полик упираться. На холостых выжимаешь тормоз, почти никаких изменений. Послушал возле вакуумного усилителя воздух где-то сечёт, не могу понять. Поспрашивал -посоветовали купить на разборе б/у на Volkswagen Passat B3 вакуумный усилитель тормозов, заменить и не парится и не париться.
2 Ответы
Скорее всего, сдох обратный клапан на трубке (его можно заменить на клапан от Дэу Нексия), и в определённый момент бензиновая смесь попадает в вакуумный усилитель, что его и убивает. Сам поменял 4 вакуумника, пока понял в чём проблема. Ни один мастер не подумал даже проверить!
Небольшая подсказочка, по VAG номерок оригинала такой: 357 612 107 A.
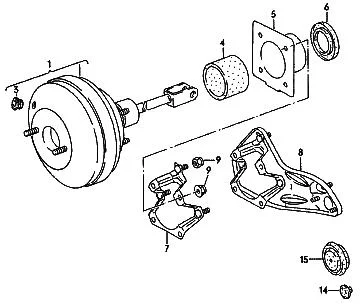
Как снять вакуумный усилитель тормоза VW Passat B3/B4 смотри сюда:
Сначала нужно снять главный тормозной цилиндр (ГТЦ); отодвинув его в сторонку не снимая трубки.
Снять нижнюю отделку приборной панели с водительской стороны.
Затем снять стопорное кольцо и вынуть штифт из толкателя педали.
Отсоединить вакуумный шланг.
Следующим шагом будет откручивание крепления гидравлического блока с последующим снятием вакуумника Пассат Б3.

Похожие материалы