Снятие обшивки передней двери Mazda 6
Mazda 6 6 II (GH)
Как снять обшивку с двери со стороны водителя на Мазда 6? Не всегда работают электроподъёмники стёкол с пассажирской стороны, хочу добраться к механизму.
1 Ответы
Сам процесс снятия обшивки двери Мазда 6 в принципе не сложен и аналогичен с любыми другими авто, тут главное найти все крепящие шурупы, вот фото внимательно смотри, а также запастись клипсами их там 9 штук и наверняка при снятии какой то да и поломается (отлично подойдут вазовские). Отличие демонтажа карты двери передних дверей и задних не значительные, думаю со всем разберёшься.

Сразу снимаем треугольную накладку изнутри бокового зеркала

Затем первым откручиваем шуруп спрятанный за заглушкой в дверной ручке

потом чтобы вытянуть пластиковую заглушку тянем рычаг открывания двери.

В подлокотнике тоже имеется один спрятанный шуруп

и еще два в за накладкой ручки, отковыриваем и её и крутим шурупы


На передних дверях есть плафоны подсветки, нужно снять крышку и вытащить лампочку, а сам патрон вдавить вовнутрь, чтобы потом не мешался провод.

Далее смело снимай обшивку двери, начиная снизу, аккуратно приложив немного усилия, тяни на себя, можно слегка рывками, по кругу. Важно не забыть отсоединить провода управления стеклоподъёмника и подсветки двери.

если нужно двигаться далее то откручиваем четыре болта крепления динамика

Потом фиксируем стекло на скотч

далее отключаем все коннекторы и выкручиваем все необходимые болты

тянем на себя и отворачиваем

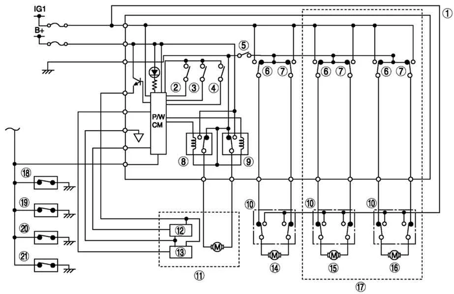
Проделываем все необходимые манипуляции и собираем в обратном порядке. Проблема с плохим срабатыванием стеклоподъёмников в основном связанна с окислением контакта, но если нужна прозвонка цепи, то вот смотри по схеме

Похожие материалы