Как снять задние сидения в авто?
Audi A6 A6 II (C5)
Audi A6 1997 — 2005. Подскажите пожалуйста, как снять задние сидения и спинку в авто, если задняя спинка на данной модификации она не разборная?
1 Ответы
0
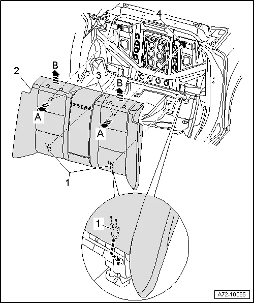
В руководстве написано так:
- Нажмите на кнопку, чтобы освободить и снять подушку заднего сиденья.
- Выверните один болт крепления левого бокового кронштейна.
- Снимите левый боковой кронштейн.
- Нажмите кнопку замка и откиньте вперед спинку заднего сиденья.
- Выверните один болт с обратной стороны левой спинки сидения.
- Снимите левую спинку сидения.
- Аналогичным образом снимите правую спинку сидения.


Я же посоветую перейти по ссылке (когда перейдете листайте ниже) на форум и там подробно прочесть описание:
задан 12 лет назад
Похожие материалы
Не горит расход бензина в Ауди А6 Ц5
Qa
1.5k
1
Загорается EPC и сервис в Ауди А6 Ц5
Qa
3.1k
1
На приборе мигает круглый знак внутри kjm 2 в Ауди А6
Qa
1k
1
Что означает перечёркнутый круг на панели приборов Ауди А6?
Qa
6.3k
1
Снятие панели приборов на Ауди А6
Видео
17.4k
3
0
Что значат цифры на светящемся табло в средней строке, Ауди А6?
Qa
2k
1