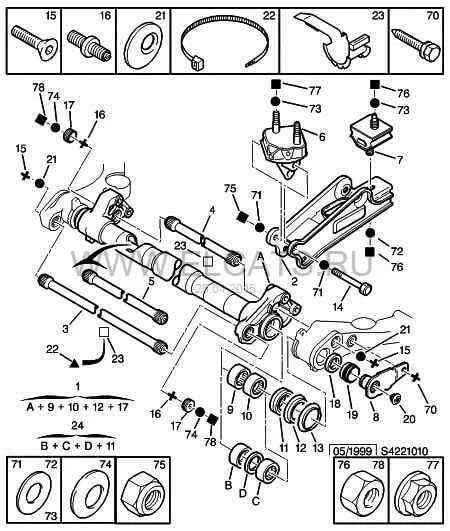
Какое устройство заднего моста Ситроен Ксара?
Citroen Xsara Xsara
2 Ответы
0
Балка на торсионах 
задан 10 лет назад
0
Здесь но нужна регистрация и вход через экзист.ru
задан 10 лет назад
Похожие материалы
Как понять что нужен ремонт торсионной подвеске
Qa
2.8k
1
Как расшифровать маркировку шин
Статьи
572.6k
803
17
Чернение шин
Статьи
382.5k
158
5
Регулировка развала-схождения своими руками
Статьи
380.9k
223
11
Смазка для ступичных подшипников
Статьи
304.7k
199
8
Неисправность амортизатора: признаки и на что влияет
Статьи
245.6k
159
5