Как заменить передний кардан Мазда Бонго Френди?
Mazda Bongo Friendee Bongo Friendee
2 Ответы
Слушайте ну уж кардан заменить там не чего делать. Под машину залезьте, если есть защита дальше двигателя под кпп, то снимите её. Все, увидите кардан, открутили 4-ре болта с одной и с другой 4 стороны все снимайте. Все.

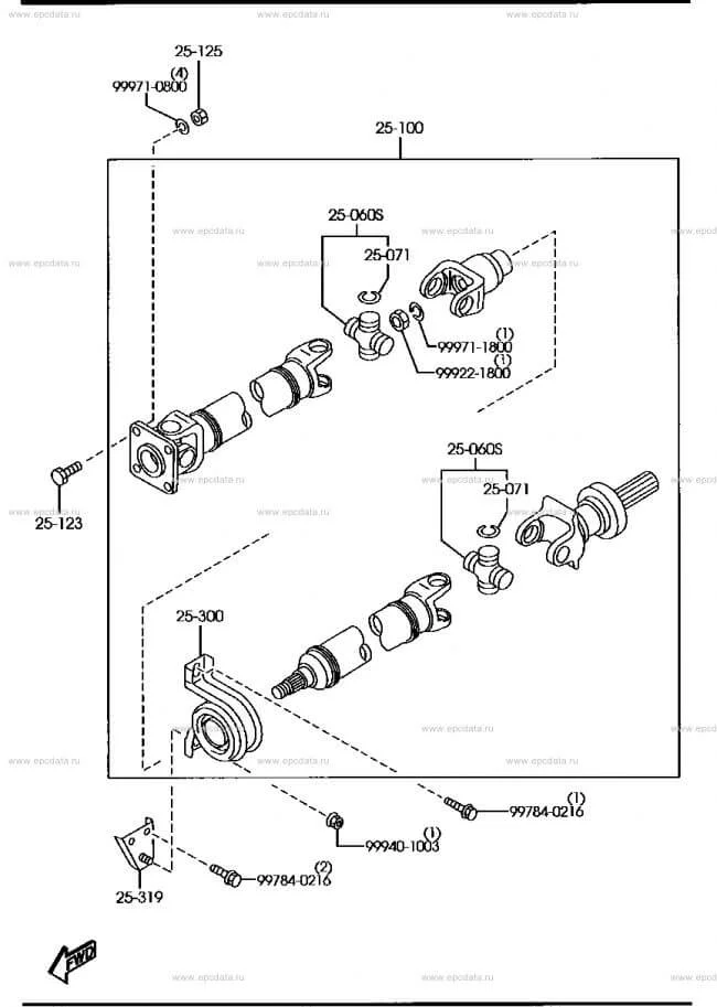
На этом автомобиле передний карданный вал состоит из двух валов, и закреплён ещё к кузову через подвесной подшипник.
Спереди действительно прикреплён к дифференциалу 4-мя болтами, далее 2 болта подвесного подшипника. Если не разъединять валы, то далее там из раздатки можно выдернуть второй вал, он на шлицевом соединении, и два вала снимутся одновременно. Если требуется валы разъединить, то они соединены между собой на шлицах и закреплены гайкой

Если что-то менять на старых валах, перед разборкой делайте метки, как оно стояло относительно друг друга и относительно агрегатов, чтобы не нарушить соосность и балансировку.
Похожие материалы