Проставка под лямбда-зонд Форд Фокус 2
Ford Focus Focus II
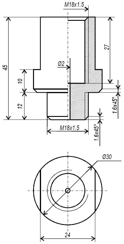
Где достать проставку под лямбда-зонд со встроенным миниатюрным каталитическим элементом (катализатор). Проживаю в Ростове-на-дону. Спасибо за инфу.
2 Ответы
1
В основном такие обманки катализатора заказывают токарю, легко вытачиваются по чертежу или же на Авито, видел объявления о продаже.

задан 11 лет назад
0
Попробуй на obmani-lyambdu.ru, если они еще работают.
задан 11 лет назад
Похожие материалы
Замена пневмоклапанов впускного коллектора Форд Фокус 2
Видео
6k
1
0
Установка турбины на Форд Фокус 2 1,6 TDCI
Видео
19.5k
9
0
После того как выбил катализатор на Форд Фокус 2 увеличился расход
Qa
5.7k
1
Какие признаки неисправности лямбда зонда и катализатора?
Qa
7.3k
1
Как выбить катализатор на Форд Фокус 2?
Qa
3.1k
1
После какого пробега нужно менять сажевый фильтр Форд Фокус 2?
Qa
1.6k
2