Как подключить 4 контактный модуль зажигания ВАЗ 2107?
ВАЗ (Lada) 2107 2107
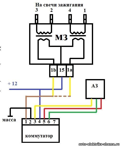
Как подключить модуль зажигания? У меня 3 контактный модуль на машине стоит. Я купил б/у 4 контактный модуль с разъёмом. Как подключить?
1 Ответы
0
Две недели вопрос без ответа. Видимо уже можно и другим экспертам ответить.
Почитайте Здесь...
И смотрите схемы (специально несколько штук показал, чтобы если не по одной, то по другой схеме можно было разобраться)


задан 4 года назад
Похожие материалы
Повышение напряжения зарядки при увеличении нагрузки
Qa
318
2
Замена стартера ВАЗ 2107
Видео
29.8k
3
3
Замыкание дальнего света ВАЗ 2107
Qa
585
1
Ошибки 0300, 0301, 0304 в ВАЗ 2107
Qa
668
2
До запуска стартера какая сеть задействована ВАЗ 2107?
Qa
255
1
При повороте ключа зажигания резко заморгал свет ВАЗ 2107
Qa
267
1


