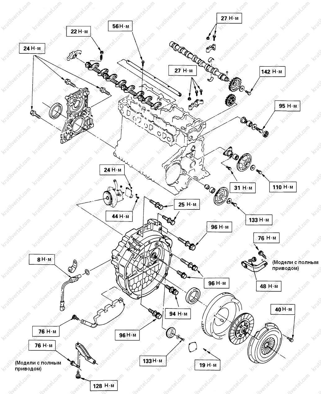
Какие моменты затяжки при сборке двигателя Исузу Эльф 4ВЕ1
Isuzu Elf Elf V
1 Ответы
0
задан 4 года назад
Похожие материалы
Сломало 2 раза рокер на 4 цилиндре в Исузу Эльф 5
Qa
1.7k
3
Какие зазоры клапанов в двигателе 4be1 на Исузу ЕЛФ?
Qa
10.2k
2
Двигатель работал без масла 20 мин, что могло сломаться в нем?
Qa
2.1k
2
С каким двигателем лучше Исузу Эльф
Qa
4.4k
1
Как заменить задний сальник коленвала, правильно, на моторе 4HF1?
Qa
6.6k
1
Не работает система предварительного прогрева Исузу ЕЛФ
Qa
4.2k
2


