Нужны моменты затяжки двигателя ZJ VE Мазда Демио 2?
Mazda Demio Demio II (DY)
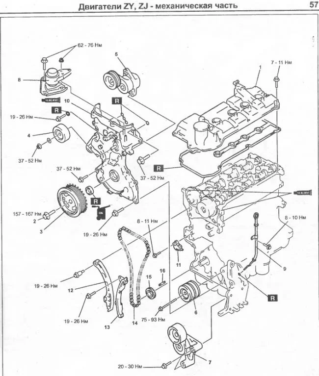
Добрый день. Ищу моменты затяжки двигателя ZJ VE Мазда Демио второго поколения, 1.3?
1 Ответы
0
Моменты затяжки указаны ниже.






задан 6 лет назад
Похожие материалы
Как заменить клапан картерных газов Мазда Демио 2003 двигатель ZJ?
Qa
598
1
Какой момент затяжки головки блока двигателя ZJ-VE в Мазда Демио 2
Qa
7.4k
1
Как проверить датчик коленвала?
Статьи
847.8k
479
18
Пробило прокладку ГБЦ — как узнать?
Статьи
816.5k
890
28
Как почистить дроссельную заслонку
Статьи
659.5k
545
15
Раскоксовка двигателя
Статьи
654.6k
374
9