Где лямбда зонд Ауди 100 С3
Audi 100 100 III (C3)
Не могу найти лямбда зонд на Ауди 100 С3, 2.0 rt ke, джетроник, 1990 г
2 Ответы
-1
№7

задан 9 лет назад
Мог бы просто написать, что схема другая, другая труба, другой катализатор. Нет же, молчком, сразу тычут "минус".
–
аноним
9 лет назад
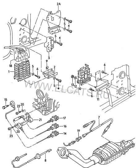
В самом низу рисунка нарисован глушитель, сверху в него вкручивается лямбда, она под номером 7 на рисунке.
–
pavlodubina5
9 лет назад
Когда не понятно, то добрые люди задают следующий вопрос. Для того и существуют комментарии.
–
Анатолий.sib
9 лет назад
Павел, он мне кажется не знает как выглядит кислородный датчик. Выдай ему любое фото лямбды.
–
Анатолий.sib
9 лет назад
0
VAG 034 906 265 F — на екзист.ру посмотрите
задан 9 лет назад
И еще вопрос. Машина заводится хорошо. Потом, когда прогреется, дохнет и глохнет
–
waler17
9 лет назад
Похожие материалы
Почему, при холодном запуске, троит двигатель?
Qa
5.5k
1
Плавают обороты, плохо заводится на холодную и на горячую
Qa
13.1k
4
Как проверить лямбда зонд?
Qa
466.8k
2
Ошибка P0420: признаки, причины и устранение низкой производительности катализатора
Статьи
446.9k
769
20
Подсос воздуха
Статьи
414.3k
239
11
Стреляет в глушитель
Статьи
406.3k
306
27