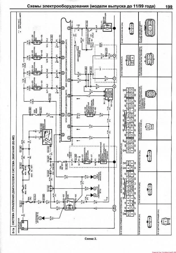
Не заводится, нет питания на форсунках, Мазда Дэмио
Mazda Demio Demio I (DW)
Не заводится. Проверил, нет плюса на форсунках. Если от аккумулятора кидаешь плюс, напрямую, к форсункам, то машина заводится.
1 Ответы
0
Отследите по схеме питание форсунок. Особое внимание разъемам.
задан 11 лет назад
Похожие материалы
Демонтаж бензонасоса и замена сеточки на Mazda Demio
Видео
24.9k
5
0
Сеточка для топливного бака в Мазду
Qa
2.1k
1
Почему увеличился расход топлива Мазда Демио
Qa
11.4k
3
Не заводиться Мазда Демио
Qa
270
2
Разные колеса спереди и сзади на Мазда Демио
Qa
256
2
Замена ремней приводов навесных агрегатов Mazda Demio
Видео
18.1k
10
0