Какие размеры передних тормозных дисков Опель Зафира В?
Opel Zafira Zafira B
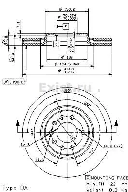
Opel Zafira B(A05), 1.7cdti, 81kw. Тормозные диски передние. Какие размеры? Диаметр 308 мм или 280 мм? И если можно то номер заводской. Отличаются они от Opel Astra H, 2009 года, 1.7CDTi, 81kw? Спасибо.
Напишите вин номер вашего автомобиля, по нему нужно подбирать запчасти.
–
Михаил Самсонов
7 лет назад
A 1,7 DTJ-81kWh или Z 1,7DTJ-81kWh, маркировка двигателя A или Z ответить не могу, извините.
W0L0AHM75C2011777- Zafira-B- диски диаметр 308мм,
W0L0AHL3592084188 -Astra-H - диски диаметр ??? мм,
Спасибо.
–
valeraz
7 лет назад
2 Ответы
0
Мотор надо точнее писать.
Если он A17DTJ 81kWh/110л.с. или Z17DTJ, тогда передние диски диаметр 308мм., толщина 25мм.
А если двигатель модели A17DTR на" Opel Zafira B" тогда может быть установлены 308мм либо 280мм. VIN — подскажет.
На «Opel Astra H», начиная с 2004 года, устанавливали передние тормозные диски на 308мм, толщиной 25мм, на моделях с двигателями A17DTR и Z17DTR.
задан 7 лет назад
A 1,7 DTJ-81kWh или Z 1,7DTJ-81kWh, маркировка двигателя A или Z ответить не могу, извините.
W0L0AHM75C2011777- Zafira-B- диски диаметр 308мм,
W0L0AHL3592084188 -Astra-H - диски диаметр ??? мм,
Спасибо.
–
valeraz
7 лет назад
С указанными VIN-номерами, на Опель Зафира передний тормозной диск диаметр его 308 мм, а Опель Астра - 280 мм.
–
Анатолий.sib
7 лет назад
"Opel Zafira B" выпущен 20.10. 2011г., мотор на нём A17DTJ. "Opel Astra H" выпущен 18.03.2009г., мотор Z17DTJ.
–
Анатолий.sib
7 лет назад
0
По данным вин номерам, на Астра идут передние диски диаметром 280 мм, толщиной 25 мм. А на Зафира идут передние диски диаметром 308 мм, толщиной 25 мм.




задан 7 лет назад
Похожие материалы
Замена задних тормозных колодок Опель Зафира
Руководства
33.2k
53
0
Время замены тормозных дисков Опель Зафира
Qa
14k
2
Колодки на Зафира Б
Qa
6.5k
1
Почему горит ошибка АБС: причины и решения
Статьи
492.1k
652
21
Смазка для суппортов и направляющих
Статьи
430.5k
194
5
Какие тормозные диски лучше
Статьи
376.7k
423
11