Как добраться до печки в Мазда 323 БФ?
Mazda 323 323 III (BF)
Уважаемые специалисты, помогите пожалуйста советом. Как снимается так называемая торпедо именно на этом автомобиле, так как перестала работать хорошо печка, в салоне холодно? Хочу добраться до радиатора, патрубков, заслонок разных, подремонтировать, может что то заменить. Печка нужна очень. Помогите пожалуйста.
4 Ответы
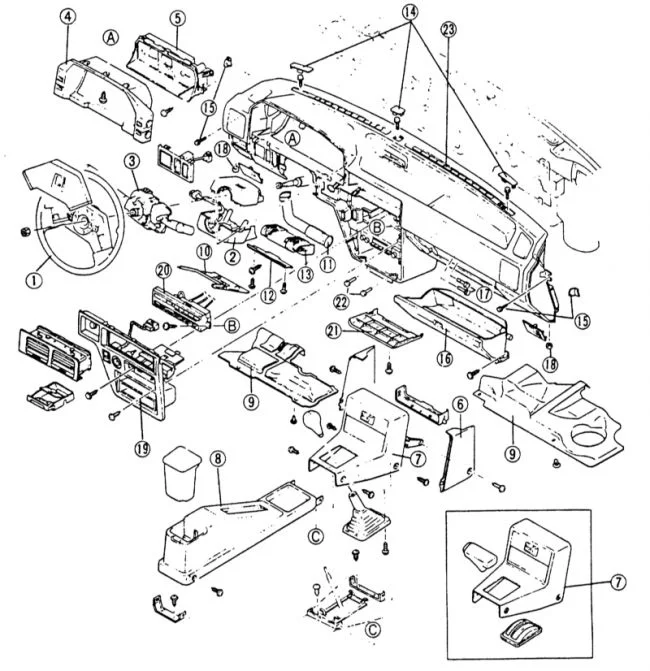
Вот дополнительный чертёж «Мазда» третьего поколения. Показаны все места крепления торпедо.
mazda 323 с 9/85 по 9/89 г. вып.

1 — рулевое колесо
2 — облицовка рулевой колонки
3 — выключатель на рулевой колонке
4 — облицовка приборов
5 — приборный щиток
6 — боковая стенка
7 — передняя консоль
8 — задняя консоль
9 — нижняя облицовка
10 — облицовочная пластина
11 — воздушный канал
12 — усиление
13 — воздушный канал
14 — болты
15 — болты
16 — бардачок
17 — болты
18 — гайки
19 — средняя консоль
20 — управление отопителем
21 — нижняя облицовка
22 — болты
23 — панель приборов
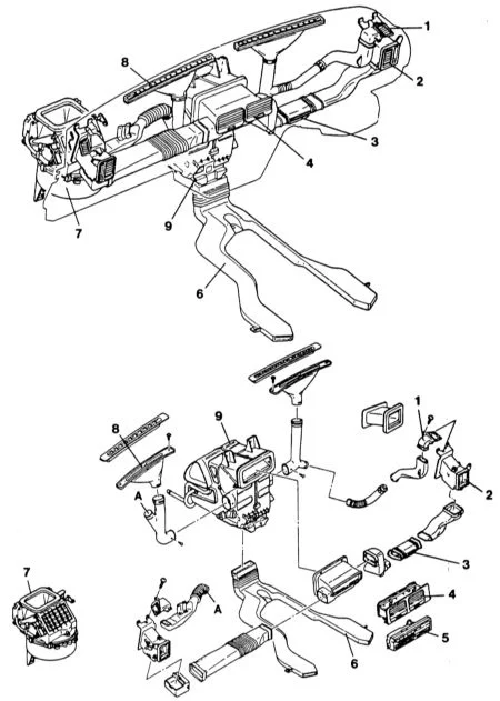
Вот вам ещё в помощь, схема воздуховодов печки
Автомобили «Mazda 323» с 9/85 по 9/89 г. вып.

1 — боковое сопло размораживателя
2 — боковое сопло вентиляции
3 — нижнее сопло вентиляции
4 — среднее сопло вентиляции
5 — блок управления
6 — задний канал отопления
7 — блок вентилятора
8 — среднее сопло размораживателя
9 — коробка отопителя

