Как снять переднее крыло Мазда 323 БФ?
Mazda 323 323 III (BF)
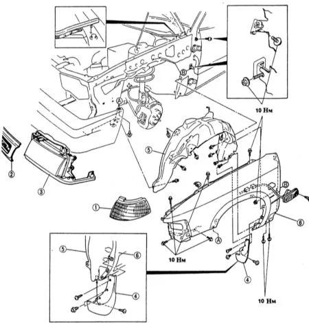
Уважаемые специалисты подскажите пожалуйста, у меня появилась необходимость снять переднее правое крыло так как мне его помяли, но его можно отрихтовать. Подскажите пожалуйста, как оно снимается именно на этой модели автомобиля?
1 Ответы
0
Описание по ссылке.

задан 5 лет назад
Похожие материалы
Сгнила перемычка снизу на передней панели Мазда 323 БФ
Qa
228
3
Что за перегородка под радиатором Мазда 323 БФ?
Qa
315
3
Щетки стеклоочистителя не доходят до нижней точки в Мазда 323 БФ
Qa
241
1
Не поворачивается из салона боковое зеркало в Мазда 323 БФ
Qa
856
1
Сломалась дверная наружная ручка Мазда 323 БФ
Qa
304
1
Какие дверные петли подойдут на Мазда 323 бф?
Qa
263
1