Переключающий клапан радиатора системы рециркуляции ОГ-N345 в Фольксваген Туран
Volkswagen Touran Touran I
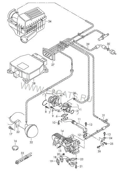
Где находится переключающий клапан радиатора системы рециркуляции ОГ-N345
1 Ответы
0
Клапан №1, радиатор №14

задан 10 лет назад
Похожие материалы
Где установлен ЭБУ двигателем в Фольксваген Туран?
Qa
4.4k
1
Где стоит терморезистор на щитке приборов Фольксваген Туран?
Qa
479
2
Надпись ERROR вместо пробега Фольксваген Туран
Qa
3.7k
1
Тухнет панель приборов в Фольксваген Туран
Qa
5.8k
1
Не работает АБС Фольксваген Туран
Qa
8.7k
9
Не горит часть панели приборов на Фольцваген Туран(2.0 АТ дизель)
Qa
6.9k
2