Как проложена проводка подключения бензонасоса в Сузуки SX4?
Suzuki SX4 SX4 I (Classic)
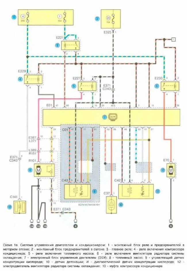
Нужно установить сигнализацию, разорвать провод поступающий на бензонасос
1 Ответы
1

В разрыв розового провода вполне подойдет. Можно и в разрыв зелено-белого что включает реле, но тогда угонщик не услышит характерного щелчка реле бензонасоса.
Почему бы вам не задействовать блокировку стартера, а не бензонасос. Блокировкой стартера вы сохраните контакты замка зажигания(замок будет служить дольше) и контакты в разъеме между замком и стартером.
задан 9 лет назад
Похожие материалы
Как восстановить показатель мгновенного расхода топлива Сузуки СХ4?
Qa
5.7k
2
Какой аккумулятор должен стоять в Сузуки SX4?
Qa
3.2k
1
Не включается топливный насос в Сузуки СХ4
Qa
3.4k
1
Горит значок иммобилайзера и не заводится двигатель Сузуки СХ4
Qa
792
1
Где блок управления раздаточной коробкой Сузуки СХ4?
Qa
574
1
Глохнет при включении вентилятора охлаждения Сузуки ЭсИкс4
Qa
512
2