Где стоит радиатор печки на Мерседес A-Class W168?
Mercedes A-Class A-Class I (W168)
Подскажите пожалуйста где стоит радиатор отопителя-печки на Mercedes Benz A-Class W168? Спасибо за ранее.
2 Ответы
2
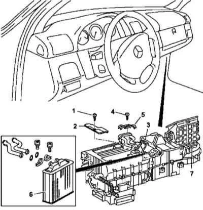
Вот ваш салон

И вот корпус вашего отопителя(в него и вставляется радиатор печки), который находится за центральной консолью, под торпедо.

задан 10 лет назад
-1
Ну вот где-то там, под торпедо, ориентировочно в центре.


задан 10 лет назад
Похожие материалы
Как снять переключатель обдува салона Мерседес В168?
Qa
984
1
Как снять торпедо Мерседес W168?
Qa
4.7k
1
Печка не греет в Мерседес W168
Qa
7.4k
2
Печка дует прохладным воздухом в Мерседес 168
Qa
6.7k
2
Где находится печка в Мерседес A-Class?
Qa
4.1k
1
Как подобрать болт кондиционера, Мерседес A-Class?
Qa
1.2k
1