Как снять радиатор печки Шкода Йети?
Skoda Yeti Yeti
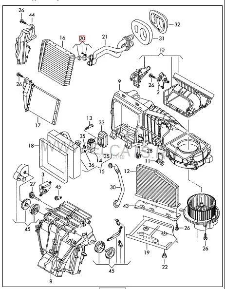
Подскажите, как снять радиатор печки?
1 Ответы
0
Нужно слить антифриз, снять нижнюю накладку под рулем, открутить все лишнее, отогнуть планку, открутить хомуты радиатора печки, отсоединить его (польется антифриз), далее вытащить его из корпуса отопителя, далее собрать все в обратном порядке. Как разобрать часть пластика, описано тут (вам не все нужно снимать, только для доступа к радиатору), так же тут и тут.



задан 7 лет назад
Похожие материалы
Замена помпы Шкода Йети
Статьи
8k
7
0
Какая помпа для Шкода Йети?
Qa
1.2k
1
Климат контроль на одну сторону дует теплом, Шкода Йети
Qa
6.2k
5
Что надо для замены насоса ОЖ на Шкода Йети 1,4?
Qa
1.3k
1
Почему часто срабатывает вентилятор, при низкой температуре?
Qa
1.9k
1
Какой фирмы взять помпу для Шкода Йети?
Qa
614
1