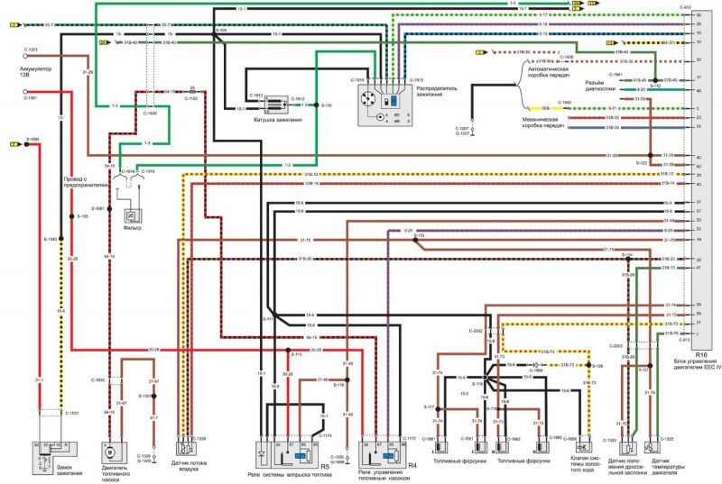
Нужна распиновка форсунок Форд Скорпио 2.0 8-ми клапанный
Ford Scorpio Scorpio II
Помогите пожалуйста найти распиновку форсунок на 8-ми клапанный Скорпио, 1995 года, 2L, потому что везде на 16-ти клапанный, а они отличаются.
1 Ответы
0
задан 4 года назад
Похожие материалы
Нет сигнала на форсунки в Форд Скорпио 2
Qa
1.3k
2
Нет искры на свечах и питания на форсунках в Форд Скорпио 2
Qa
1.5k
3
Нет управляющего минуса на форсунки в Форд Скорпио 2
Qa
1.3k
1
Заменил ЭБУ на Форд Скорпио 2 не включается бензонасос
Qa
2.5k
5
Отключаем сигнализацию на машине
Статьи
785.3k
446
48
Ошибка P0172: слишком богатая смесь. Причины и диагностика
Статьи
688.3k
755
77
