Нужна распиновка контактов передней фары Субару Легаси 4
Subaru Legacy Legacy IV (BL,BP)
Поставили новые фары ксенон, разница в разъемах(количество проводов не равное)
1 Ответы
0
А сколько проводов на ваших фарах не написали.
Ну вот пока вам одно фото нашёл по Subaru Legacy

и ещё вот фото другого источника информации

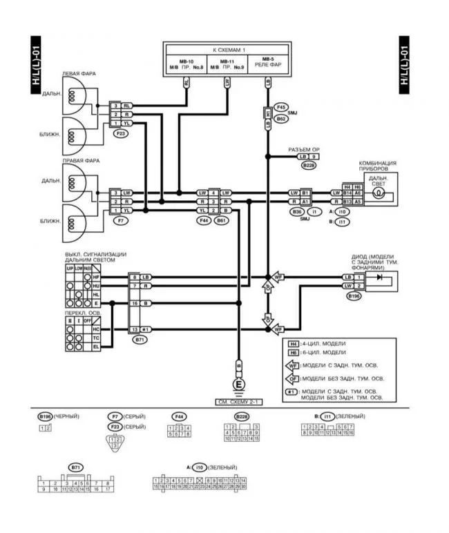
А ещё есть схема

задан 7 лет назад
Похожие материалы
Ошибка Р0011 в Субару Легаси
Qa
1.5k
1
Не работает прикуриватель в Субару Легаси
Qa
2.9k
1
Где находится предохранитель омывателя стекла в Субару Легаси?
Qa
8.8k
2
В чем причина обогащенной смеси Субару Легаси 4?
Qa
1.9k
1
Отключаем сигнализацию на машине
Статьи
785.3k
446
48
Ошибка P0172: слишком богатая смесь. Причины и диагностика
Статьи
688.3k
755
77