Где монтажный блок №6 в Тойота Авенсис 2?
Toyota Avensis Avensis II (T250)
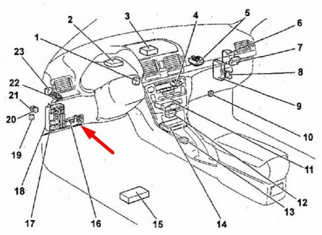
Подскажите пожалуйста, где расположен монтажный блок №6 с блоком предохранителей? Как получить к нему доступ для проверки предохранителей? Монтажный блок №7 просматривается через открытый лючок внизу панели.
1 Ответы
0
Смотрите на фото, находится над педалью сцепления.


задан 5 лет назад
Похожие материалы
Не могу снять автомобиль с сигнализации штатным ключом
Qa
505
2
Не работает освещение салона Тойота Авенсис 2
Qa
1.6k
1
Пропал свет в салоне Тойота Авенсис 2
Qa
16.1k
1
Какой предохранитель на обогрев боковых зеркал Тойота Авенсис 2?
Qa
7.3k
1
Нужна схема подключения салонного зеркала заднего вида Тойота
Qa
5.9k
2
Как самостоятельно заменить стартер Тойота Авенсис, комби, т. 25, дизель?
Qa
9.9k
2