Шаркающий звук при движении снизу сзади Киа Спортейдж 2
Kia Sportage Sportage II
Шаркающий звук снизу сзади, при движении в натяг, на скорости пропадает
Уже заменили подвесной ролик, поменяли масло в заднем дифференциале. Металлической стружки и т.д. не было. Но шаркающий трущийся звук не исчез.
–
lentch.2111900@yandex.ru
7 лет назад
Похоже вы ещё не прочитали этого: "В повседневном состоянии Спортейдж переднеприводный. На полноприводной версии задний привод подключается при помощи электронно-управляемой муфты при необходимости. Владельцам Kia Sportage не стоит забывать, что в их руках всего лишь кроссовер, а не настоящий внедорожник. Муфта довольно капризна и не любит перегрева, поэтому лучше избегать продолжительного пробуксовывания.
Признаками выхода из строя муфты послужат толчки при движении задним ходом и «шоркающий» звук сзади. Это может произойти как при пробеге 40 – 50 тыс. км, так и после 100 – 120 тыс. км. Стоимость муфты в сборе – около 50 тыс. рублей. Неисправности муфты вызваны выходом из строя подшипника из-за слабенького сальника, который быстро изнашивается и пропускает грязь..."
–
Анатолий.sib
7 лет назад
При движении задним ходом толчков нет и шаркающего звука тоже. Так же при тёплой погоде до -5 звук шаркающий почти исчезает и при выезде из тёплого гаража, а в мороз появляется.
–
lentch.2111900@yandex.ru
7 лет назад
3 Ответы
0
От муфты этот шум, от муфты он идёт.
При морозе там всё застывает, а в тёплую погоду малость оттаивает и звук приглушается.
Вот вам ещё ссылка про беду этой муфты читайте Здесь ...


задан 7 лет назад
0
Не знаю, нашёл причину или нет? Но [почитай здесь](vvm-auto.ru/kia/77-kia-sportage-ii-obratnaya-storona — трансмиссия "").
задан 7 лет назад
0
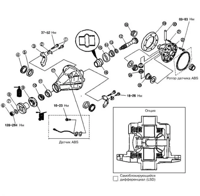
В том месте где карданный вал присоединяется к заднему дифференциалу, проверьте не задевает ли соединительный фланец об корпус дифференциала (позиция 8 может задевать о позицию 17)

И ещё один вариант — проверьте состояние крестовин, возможно какую-то уже пора заменить

задан 7 лет назад
Похожие материалы
Какой передний амортизатор ставить на Киа Спортейдж 2?
Qa
1.2k
1
Как заменить сайлентблок левого переднего нижнего рычага Киа Спортаж?
Qa
3.6k
1
Как заменить стойки Киа Спортаж?
Qa
2.6k
3
Замена заднего амортизатора Киа Спортейдж
Видео
19.8k
8
0
Свечи зажигания на Киа Спортейдж (1,2,3,4)
Статьи
35.4k
30
0
Машина потухла полностью Киа Спортейдж 2
Qa
304
3