Схема системы охлаждения Сеат Ибица
Seat Ibiza Ibiza I
Подскажите пожалуйста схему системы охлаждения Seat Ibiza 1988 г. в.
1 Ответы
1


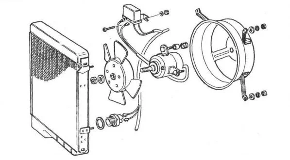
Система охлаждения Сеат Ибица.
Вот, схема, держи.
задан 11 лет назад
Похожие материалы
Как поставить дополнительную помпу на печку Сеат Ибица?
Qa
6.6k
1
Чем промыть систему охлаждения двигателя?
Статьи
572.2k
466
10
Неисправности помпы
Статьи
464.9k
281
2
Как можно выгнать воздушную пробку из системы охлаждения
Статьи
390.6k
345
5
ТОП 9 очистителей кондиционера
Статьи
311.3k
140
10
Плохо греет печка
Статьи
305.5k
171
2