Скрипит подвеска в Хендай Соната
Hyundai Sonata Sonata V (NF)
Здорово парни как поживаете. В общем проблемка такая. Скрипит передняя подвеска с водительской стороны в районе верхней шаровой. Поворачиваю руль налево направо, скрипит именно с водительской стороны. На днях поднял эту сторону. Шприцем 5 гр, через резиновый пыльник туда выдавил жидкость для ГУРа. Не было такого раньше. Как растаяло, вода туда что ли попала. Подскажите.
2 Ответы
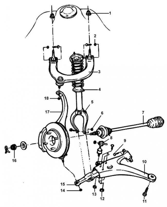
Вот одна из сторон вашей подвески. Скрипеть может в любом соединении, причём не обязательно там, где вам кажется. Чаще всего скрипят сайлентблоки, именно после езды по лужам в дождь или в межсезонье как сейчас.
Если явной болтанки нигде не находите, то можно поискать так. Полить водой один сайлентблок, покрутить руль. Если продолжает скрипеть, полить водой следующий сайлентблок, снова покрутить руль. Если скрип пропал, значит вы нашли скрипящее место, если всё ещё скрипит, поливаете третье место. Любая пластиковая бутыль с водой подойдёт, в крышке пробить гвоздём дырку.

Если слышен скрип, то надо менять шаровую. Порвался пыльник, попала вода и начался процесс коррозии металла.
Также может скрипеть опорный подшипник стойки амортизатора.
Похожие материалы