Не растормаживается стояночный тормоз Ивеко Евростар
Iveco EuroStar EuroStar
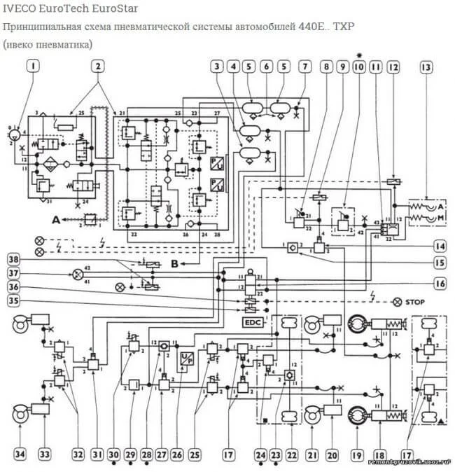
Автомобиль не растормаживается. Какой кран нужно заменить?
1 Ответы
1
Прежде чем менять «клапан управления стояночным тормозом» желательно проверить приходит на него управляющее питание или нет. Посмотрите схему №14.



задан 10 лет назад
Похожие материалы
Не могу завести Ивеко Евро Стар
Qa
1.6k
1
Нужны данные развал-схождения Ивеко Евростар
Qa
1.3k
1
Какой момент затяжки болтов поддона картера Ивеко ЕвроСтар?
Qa
2.1k
1
Как выставить метки ГРМ на Ивеко Евро Стар?
Qa
4.7k
2
Как заменить помпу на Ивеко Евростар?
Qa
4.5k
1
Как установить гильзу в Ивеко ЕвроСтар?
Qa
2.6k
1