Стучат задние суппорта в Тойота Королла 9
Toyota Corolla Corolla IX (E120, E130)
Мужики подскажите, стучат задние суппорта при езде на кочках. Что делать?
2 Ответы
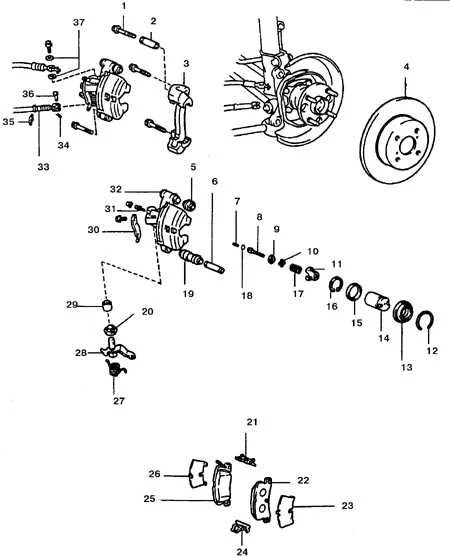
Вероятнее всего и чаще стучат сами колодки. Но если болтается именно суппорт, тогда из-за износившихся направляющих болтов

А колодки должны удерживаться от болтанки крепёжными пластинками тормозных колодок №21 и №24, которые иногда при замене колодок забывают поставить и теряют их.

Есть ещё противошумовые прокладки №23 и №26, но на мой взгляд они никакой роли не играют (это просто из личного опыта, катался и с ними и без них — одинаково). Даже считаю что эти пластинки, в какой-то момент могут создавать лишний дребезг.
Какие успокоители, солдатики. Блин кто что напридумает запчастям имена. Они же не успокаивают ни чего. Они для того чтоб было куда суппорту смещаться когда колодки изнашиваются. Направляющие суппорта. Это так все из-за них чаще всего. Но дело в том что вы можете также новые поставить и не поможет, потому что ещё и в самих скобках износ. А ещё может из-за пружин прижимных.
Похожие материалы