Где топливный насос в Фольксваген Туарег 3.6?
Volkswagen Touareg Touareg I
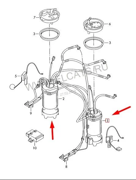
Не могу найти топливный насос на Туареге, рестайлинг, 3.6 л, бензин, 2007 г. Подскажите, где его искать?
1 Ответы
0
На вашем авто должно быть два топливный насоса, стоят в топливных модулях в топливном баке, что бы до них добраться, нужно вырезать ковролин под задним сиденьем и достать топливный модуль, аналогично, как на виде. Напишите вин номер вашего авто для перепроверки.





задан 7 лет назад
Похожие материалы
Замена топливного насоса на VW Touareg
Руководства
39.4k
18
3
Загорается неисправность мотора после замены шайб под форсунками в Туарег 3.0
Qa
298
1
Какая цикловая подача топлива Фольксваген Туарег 2.5?
Qa
573
0
Низкое давление топлива в Фольксваген Туарег 3.6 FSI
Qa
19.1k
5
Глохнет при полной заправке Фольксваген Туарег
Qa
4.5k
2
Провал при резком нажатие на педаль газа Volkswagen Touareg
Qa
3.6k
1