Нужна схема работы ручного тормоза Опель Синтра
Opel Sintra Sintra
В салоне рычаг, его поднимаем, через трос в задних барабанах разводятся колодки, колёса заторможены - это схема в общих чертах. А что конкретно, что-то интересует?
–
Анатолий.sib
5 лет назад
У меня трос ручника подходит к задним барабанам и ни куда ни к чему не зацеплены, просто висят, от старого хозяина так досталась. Трос должен что то разводить, а там пусто, кроме дисковых тормозов.
–
albertini1972
5 лет назад
У меня трос подходит к задним барабанам, а там пусто, кроме дисковых тормозов - как это понять? Сзади основные тормоза дисковые? А внутри стояночный тормоз барабанного типа?
–
Гнат
5 лет назад
2 Ответы
0
«Сзади основные тормоза дисковые? а внутри стояночный тормоз барабанного типа?» — да, именно такое устройство тормозов сзади.



задан 5 лет назад
0
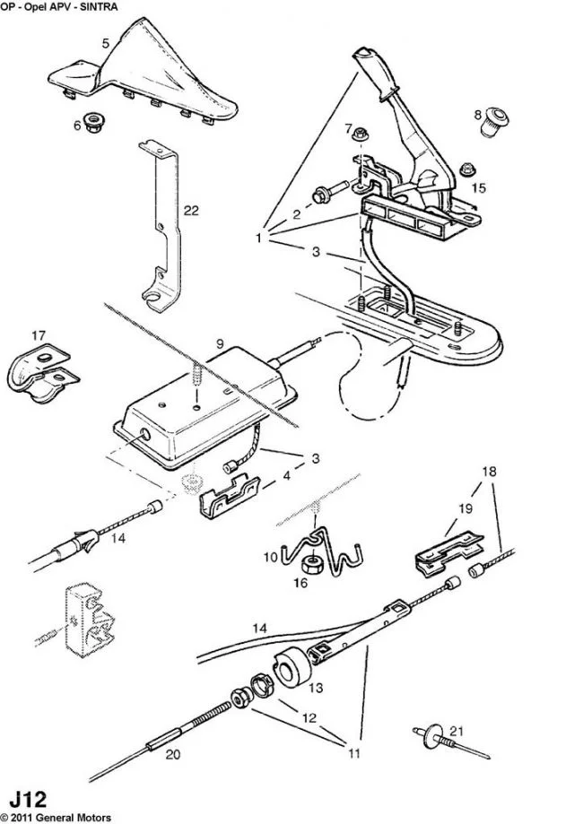
Схема задних тормозов

задан 5 лет назад
18029885 колодки и накладки, в сборе, задний ( заменный код - 05 52 232 ) ограничение по № шасси: ...-VD999999 или 18026285 колодки и накладки, в сборе, задний ( заменный код - 05 52 000 ) ограничение по № шасси: WD100001-...
–
Гнат
5 лет назад
Похожие материалы
Какой длинны тормозные трубки Опель Синтра?
Qa
2.1k
1
Замена ВУТ Опель Синтра
Qa
2.7k
4
Вакуумный усилитель тормоза Опель Синтра
Qa
2.3k
3
Почему горит ошибка АБС: причины и решения
Статьи
492.1k
652
21
Смазка для суппортов и направляющих
Статьи
430.5k
194
5
Какие тормозные диски лучше
Статьи
376.7k
423
11