Как подсоединить вакуумный насос Мазда 6?
Mazda 6 6 I (GG)
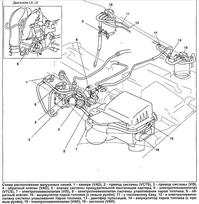
Помогите собрать трубки вакуумной системы
1 Ответы
0
Здравствуйте. Возможно вам поможет выдержка из руководства.


задан 8 лет назад
Похожие материалы
Тормозные диски для Мазда 6
Статьи
31.5k
18
0
Замена задних тормозных колодок Мазда 6
Руководства
35.6k
51
0
Тормозные колодки для Mazda 6 GG, GH и GJ
Статьи
45.1k
21
0
Подходят ли тормозные диски G26Y3325XA для Мазды 6?
Qa
643
1
Как ставить скобу тормозных колодок Мазда 6?
Qa
1.6k
1
Где находится блок АБС в Мазда 6?
Qa
2.1k
2