Не горят задние противотуманки Крайслер Вояджер 4
Chrysler Voyager Voyager IV
Не горят задние противотуманные огни
4 Ответы
1
Ну и так, вдогонку — возможно что они могут быть включены только при ближнем свете фар.
задан 5 лет назад
0
Проверьте на предмет целостности предохранитель и реле на предмет наличия. Были случаи, когда они выпадали или просто отходили.
задан 5 лет назад
0
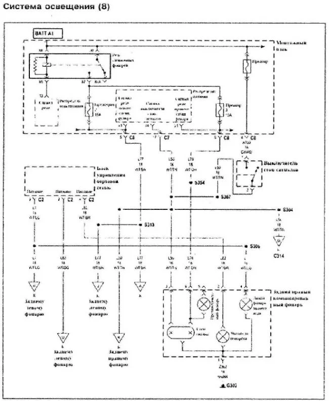
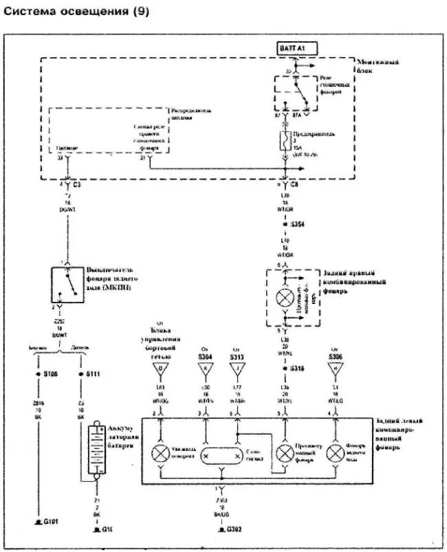
Ниже электрические схемы, должен быть предохранитель на 15А, проверьте на нем напряжение, еще проверьте сами лампы, проблема может быть еще в включателе ламп, в проводке, в блоке предохранителей.


задан 5 лет назад
0
Без включения габаритов, задние противотуманки гореть не будут. И ещё проблема часто бывает в кнопке выключения (она заедает) задних ПТФ, либо в окислении контактов на соединительной колодке провода к фонарям ПТФ.
задан 5 лет назад
Похожие материалы
Как снять заднюю фару Chrysler Voyager
Видео
3.4k
0
0
Не работают фонари заднего хода
Qa
2.8k
2
Какой порядок и момент затяжки клапанной крышки Крайслер Вояджер 4
Qa
312
0
Не поднимается блокировка замка задней правой двери Крайслер Вояджер 4
Qa
438
2
Черный дым из выхлопной Крайслер Вояджер 4
Qa
724
2
Замена шаровой Chrysler Voyager
Руководства
4.7k
6
0