Как поставить задний амортизатор Тойота Гайя?
Toyota Gaia Gaia
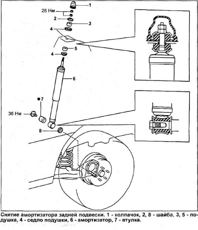
Помогите, как правильно собрать все резиновые втулки и шайбы верхней части амортизатора?
3 Ответы
2
Вот выдержка из руководства


задан 8 лет назад
0
Вот рисунки из каталогов, заднего амортизатора. Понятно?



задан 8 лет назад
0


задан 8 лет назад
Похожие материалы
Как поменять подшипник муфты заднего моста?
Qa
2.1k
1
Как расшифровать маркировку шин
Статьи
572.6k
803
17
Чернение шин
Статьи
382.5k
158
5
Регулировка развала-схождения своими руками
Статьи
380.9k
223
11
Смазка для ступичных подшипников
Статьи
304.7k
199
8
Неисправность амортизатора: признаки и на что влияет
Статьи
245.6k
159
5