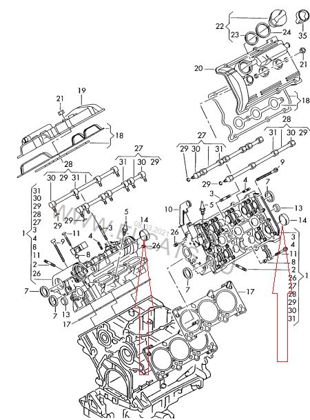
Как заменить заглушки распредвалов Ауди А6 С5 2.7?
Audi A6 A6 II (C5)
Текут пробки распредвалов на выпускной коллектор. Как заменить не снимая двигателя? APB, 2.7, би турбо.
2 Ответы
0
0
Спасибо за ответ. Буду пытаться победить эту проблему на сколько ума хватит. С начала герметик нужно подобрать термостойкий что бы не растрескался....
задан 4 года назад
Похожие материалы
Фазорегуляторы 078 109 087 C и 078109088р взаимозаменяемые?
Qa
642
0
Дымит и метки ушли Ауди А6 С5 4.2 бензин ars
Qa
711
0
Можно ли поставить мотор на 340 лс вместо мотора ars Ауди А6 С5
Qa
216
2
Какой гидронатяжитель цепи станет на Ауди А6 С5 4.2 ars
Qa
254
1
Как правильно установить головки на двигатель Ауди А6 С5 4.2?
Qa
297
2
Двигатель не набирает обороты Ауди А6 С5
Qa
333
1


