Не работает обогрев заднего стекла
Seat Toledo Toledo I
Здравствуйте! Вопрос такой, не работает обогрев заднего стекла, ток поступает, предохранитель целый, дорожки на стекле целые. Может какая релюшка отказала? Если да, то где она находится?
1 Ответы
1
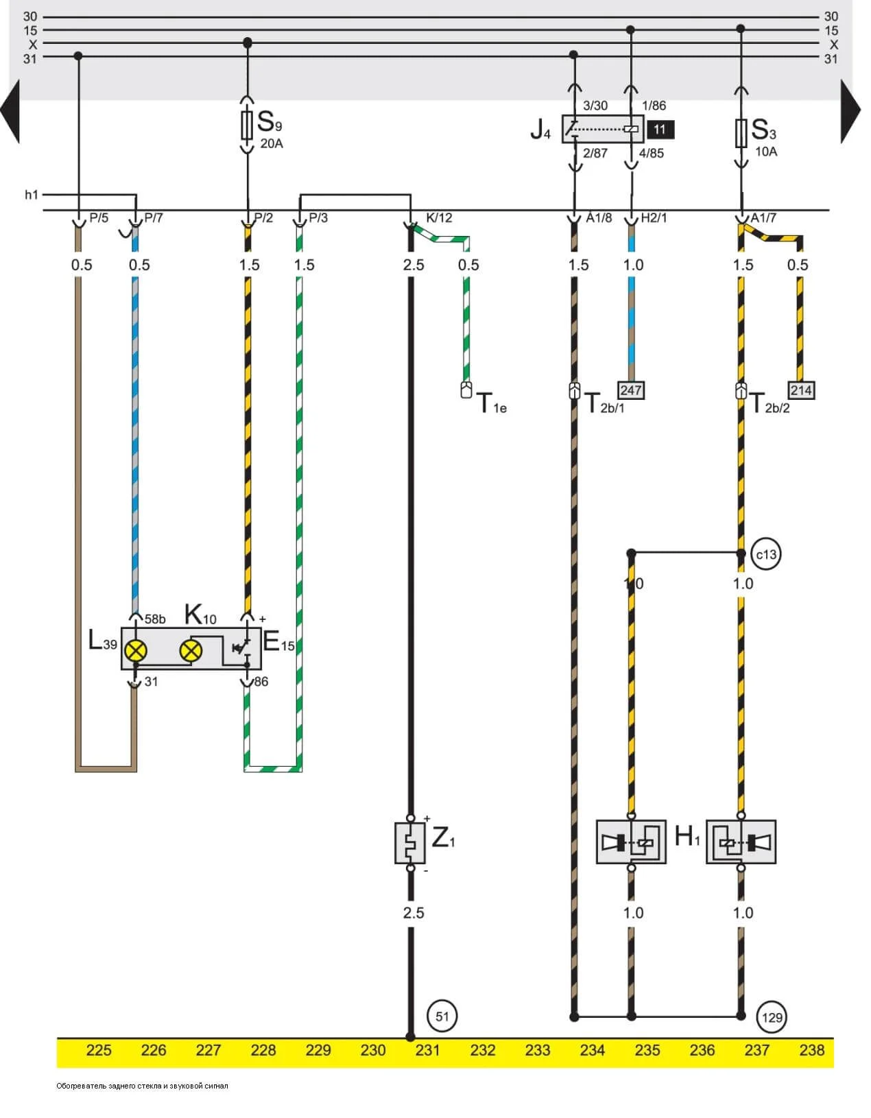
А реле может и не быть, что скорее всего. Коль предохранители проверил, то теперь проверь выключатель. Рабочий? Если да то возможна проблема с коммутацией в блоке. Вот схема:

Контакты проверял на багажнике? В каком там они состоянии?
Неподвижные контакты на кузове(как правило они закисают, нужно почистить):

Подвижные (подпружиненые) контакты двери багажника ( «обогреватель», «подсветка номера», «задний ход», «противотуманки» ):

Правый контакт, подпружиненый на крышке багажника, — обогрев заднего стекла. Возможно что то с гнездом контакта.
задан 13 лет назад
Похожие материалы
Работают стеклоочистители и печка только в одном режиме в Сеат Толедо
Qa
1.6k
1
Подскажите пожалуйста как пользоваться бортовым компьютером Seat Toledo 1995 г?
Qa
4.2k
1
Не работает подача топлива при запуске Сеат Толедо
Qa
2.7k
2
Не загорается индикатор зарядки аккумулятора в Сеат Толедо
Qa
3k
1
Сигналізація не відкриває і не закриває у Сеат Толедо
Qa
990
1
Нормируется ли ток утечки?
Qa
1.7k
2