Замена цепи ГРМ Suzuki Grand Vitara
Цепь ГРМ Suzuki Grand Vitara рекомендовано диагностировать каждые 40-45 тысяч км пробега. Такая профилактика убережет водителя от нежелательных проблем, возникших в результате неисправности этого элемента газораспределительного механизма.
Примерами негативных последствий могут быть повреждения клапанов, перебои в работе ГРМ, поломка успокоителя или деформация башмака. Все они требуют дополнительных затрат на ремонт или замену поврежденных деталей, что делает регулярный осмотр цепи еще более важной процедурой.
В каких случаях стоит заменить цепь ГРМ?

Основной причиной неправильной работы детали является износ и звук бряцания цепи. Он может быть вызван не только временным фактором, но и неправильным натяжением, утечкой масла или повреждением роликов. Ускорить износ может и активная эксплуатация авто в тяжелых условиях.
Диагностика позволит определить степень изношенности и понять: нужна ли замена цепи ГРМ или же ее можно продолжить использовать в течение следующих 5-10 тысяч км. Во время осмотра стоит обратить внимание и на взаимодействующие с цепью элементы. Если они повреждены или слишком изношены, их также стоит заменить.
Когда нужно менять цепь ГРМ на Гранд Витара 2.0?
Каждый Сузуковод знает, что при пробеге примерно в 150 000 км, появляется типичное бряцанье цепей под капотом, — это и является основным показателем когда пора менять цепи на Гранд Витаре, натяжители, успокоители и еще пару мелочей. А чтобы этот период не настал еще быстрее, пристально следят за уровнем масла, а также вовремя его меняют. Ведь при слабом уровне и давлению выходит из строя гидронатяжитель. Когда маслопроводящие каналы забиваются грязью, то работа гидронатяжителя ухудшается, и, как следствие, возможно появление лязга цепей.
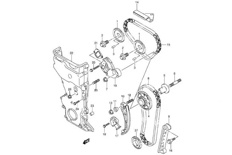
Какие запчасти нужны и что менять при замене цепей
Список необходимых запчастей необходимых для замены состоит только из оригинальных деталей и имеет такой перечень:

Как поменять цепь ГРМ на Suzuki Grand Vitara своими руками.
- 12832-77E00 Натяжитель цепи ГРМ
- 12761-77E11 Большая цепь ГРМ
- 12762-77E00 Малая цепь ГРМ
- 12771-77E00 Успокоитель цепи (направляющая планка)
- 12772-77E01 Успокоитель цепи (верхний)
- 12811-77E00 Планка натяжителя цепи (башмак большой цепи)
- 12831-77E02 Гидронатяжитель цепи ГРМ
- 12835-77E00 Прокладка натяжителя (верхней малой цепи)
- 11189-65J00 Прокладка клапанной крышки
Также по-хорошему желательно заменить: передний сальник КВ (09283-45012) и уплотнительные колечки свечных колодцев в клапанной крышке (11179-81402).
Самостоятельная замена или услуги СТО?
Мнение о том, что качественный ремонт автомобиля можно провести только в автосервисе, давно устарело. Теперь каждый водитель Suzuki Grand Vitara, желающий заменить какую-то деталь, способен сделать это самостоятельно.
Для того чтобы заменить цепь ГРМ понадобится набор инструментов, комплект расходных материалов и подробная инструкция с рекомендациями. Далее вы сможете ознакомиться с набором запчастей, потребующихся при замене цепи газораспределительной системы, алгоритмом работы, описанного производителем Suzuki Grand Vitara, а также несколько советов как можно сделать эту работу намного проще и быстрее. Сначала смотрите информацию по установке меток ГРМ на двигателе 2,0 л. J20A автомобиля Сузуки, а затем план работы с фотоиллюстрацией всего происходящего.




Как видите иллюстрации из страниц руководства по ремонту Гранд Витары могут помочь автовладельцу узнать лишь где метки ГРМ, как их установить и с каким усилием затягивать болты, а вот подробности и нюансы процедуры замены цепи газораспределительного механизма смотрите ниже. Рассказаны и показаны на примере личного опыта владельцев данного автомобиля.
Последовательность выполнения работы:

1. Снимаем декоративную крышку с двигателя.

2. Щуп необходимо вытащить и отсоединить шланги.

3. Снимаем шланг системы принудительной вентиляции картера от клапанной крышки, также отсоединяем разъем датчика положения распределительного вала (датчик фаз).

4. Откручиваем и снимаем катушки зажигания.

5. Также желательно открутить крепление тросика газа.

6. Откручиваем и снимаем вискомуфту.

7. Сливаем охлаждающую жидкость с помощью специального краника.

8. Снимаем патрубки охлаждения.

9. Откручиваем и извлекаем радиатор охлаждения.

10. Снимаем приводные ремни и ролик вискомуфты.

10. Снимаем ушко двигателя с трубочкой.

11. Откручиваем и снимаем насос гидроусилителя руля.

12. Снимаем механизм натяжителя ремня кондиционера.

13. Откручиваем и снимаем шкив помпы.

14. Чтобы он не крутился можно зафиксировать отверткой.

16. Откручиваем и демонтируем обводной ролик водяного насоса с крышки, прикрывающий цепь механизма ГРМ.

17. Откручиваем 6 гаек крепления клапанной крышки.

18. Снимаем крышку клапанов (под ними шайбочки резиновые или резино-металлические не потеряйте их, если они обжались можно заменить новыми их номер: 11188-85FA0).

19. Откручиваем и снимаем насос компрессора кондиционера (крепится 3-мя болтами и до них тяжело добраться).

20. Откручиваем и снимаем шкив коленвала. Его гайка затянута большим моментом, потребуется длинный ключ, надеть головку на гайку, а сам ключ вставить под правый лонжерон (по ходу движения машины), и на долю секунды пробовать крутить стартером.

21. Откручиваем и снимаем переднюю крышку двигателя. Там 15 болтов спереди и 2 крепят поддон картера снизу (для их откручивая наверное придется снять защиту картера). Крышку ГРМ отсоединяем аккуратно, постепенно оттягивая сверху и отжимая монтажкой с небольшим усилием.

22. Положение нижних болтов крепления крышки двигателя.

23. Снятие крышки ГРМ Гранд Витара.

24. Устанавливаем все звездочки по меткам, как иллюстрируют картинки из мануала, а именно: шпоночный паз на коленвалу должен совместиться с меткой на блоке цилиндров, на промежуточной звездочке, стрелка должна быть направлена вверх, метки на звездочках распредвалов должны быть совмещены с отливами на головке блока цилиндров.

25. Отворачиваем болты крепления звездочек распределительных валов, удерживая распредвалы за шестигранную часть.

26. Снятие натяжителя гидравлического натяжителя верхней цепи.

27. Откручиваем и снимаем гидронатяжитель основной цепи ГРМ.

28. Откручиваем и снимаем гидронатяжитель основной цепи ГРМ.

29. Откручиваем и снимаем гидравлический натяжитель верхней (малой) цепи.

30. Откручиваем и снимаем верхний успокоитель.

31. Откручиваем и снимаем башмак-натяжитель основной цепи.

32. Откручиваем крепление успокоителя основной цепи.

33. Снятие успокоителя основной цепи ГРМ.

34. Снятие верхнего успокоителя цепи ГРМ Гранд Витара.

35. Верхний успокоитель цепи ГРМ.

36. Снимаем звездочки с распределительных валов и малую цепь привода ГРМ.

37. Снимаем звездочку большой цепи и саму основную цепь ГРМ.

38. Замена цепи ГРМ на Сузуки Гранд Витара 2.0

39. Очищаем от герметика или старой прокладки саму крышку двигателя.

40. Меняем передний сальник коленвала и уплотнители свечных колодцев.
Сборку производим в обратной последовательности, соблюдая метки фаз газораспределения:

1. Установка новой цепи и натяжителя. Устанавливаем звездочку коленвала, совмещая метку на звездочке с меткой на блоке.

2. Устанавливаем вал и промежуточную звездочку, и ставим большую цепь, совмещая метку на промежуточной звездочке с синим звеном цепи и желтое звено цепи с меткой на звездочке КВ.

3. Устанавливаем звездочки распредвалов, надеваем малую цепь, совмещая метку на промежуточной звездочке с желтой меткой цепи, а синие метки на цепи — со стрелками на звездочках и затягиваем звездочки болтами.

4.Устанавливаем планку натяжителя большой цепи и натяжитель большой цепи оттянув собачку натяжителя и утопив плунжер в корпус и зафиксировав стопором. После установки извлекаем стопор.

5. Устанавливаем переднюю крышку на формирователь прокладок. В дальнейшей сборке особых замечаний нету, главное не забыть прикрутить абсолютно все открученные детали и болтики.

6. Моменты затяжки болтов.
Упрощенный вариант замены цепи без демонтажа компрессора и ГУРа
Некоторые замечания и хитрости как сделать замену цепи ГРМ на SUZUKI GRAND VITARA 2.0 (J20A) своими руками легче и быстрее:
- Поддон картера можно и не снимать для замены цепей ГРМ, как пишет «букварь», ведь это дополнительная забота. Такая рекомендация дается для того чтобы туда не уронить что-нибудь при разборке или грязь не попала во время работы, пространство внизу нужно попросту замостить чистой тряпкой.
- Снимать радиатор охлаждения (а соответственно и сливать ОЖ), демонтировать бачок ГУРа и откручивать насос гидроусилителя совсем не обязательно, добраться к механизму газораспределения можно без всей этой лишней работы, хотя инструкция в мануале предусматривает такие манипуляции.
- Так же не стоит сливать масло с двигателя, ведь оно всё сбежало в поддон и не помешает снятию передней крышки.
- Можно не откручивать ушко двигателя с приваренной трубочкой (будет мешать при снятии крышки), ту медную трубочку можно аккуратно отогнуть, и освободить себя от трудоемкого процесса откручивания лишнего количества болтов.
- Чтобы открутить болт на шкиву КВ не нужно никаких приспособлений, потребуется лишь головка на «19», несколько воротков чтобы их длина позволила упереться в лонжерон и крутонуть на долю-секунды стартером.
- Не стоит начинать снятие цепи с натяжителей, поскольку у вас могут соскочить шестерни с меток, поэтому строго соблюдайте порядок разбора. И сняв крышку, начинайте замену цепи ГРМ двух литровой Гранд Витара с откручивания болта левого распредвала (чтобы без проблем его открутить нужно ключом на «27» зафиксировать вал в специально отведенном месте, между 3-м и 4-м цилиндрами).
После замены цепи, обязательно проверяем настолько правильно вы это сделали — нужно провернуть два раз коленвал (720 градусов), должны совпасть метки на шестернях внизу (риски) с литьем и совпасть метка на КВ.

Была ли эта статья полезной?
Ваш отзыв помогает нам улучшать контент.
Похожие материалы
Обсуждение (1)
Спасибо большущее!