Замена цепи ГРМ Mazda Verisa
Основной причиной обрыва цепи привода ГРМ Mazda Verisa является износ. Избежать опасных последствий для двигателя позволит профилактическая замена детали.
Согласно рекомендациям производителя установка новой цепи должна проводиться через каждые 160 тыс. км. Однако наделенные горьким опытом владельцы советуют делать ее уже через 90-100 тыс. км.

В ряде случаев внеплановая диагностика и замена могут срочно понадобиться. Признаками неисправности в работе цепи станет:
- дискомфорт, вызванный посторонними звуками (стуки и шорохи чаще всего проявляются на холостом ходу);
- неравномерная работа двигателя;
- появление дефектов зубьев звездочек;
- максимальный выход натяжителя.
Последние два симптома можно выявить лишь при визуальном осмотре детали. Для того чтобы его провести нужно обязательно снять крышку.
Подтвердить предположение в неисправности цепи позволит лишь компьютерная диагностика. Обратившись в ближайшее СТО, можно получить данные о фазах газораспределения. Явные аномалии в этих параметрах указывают на необходимость в замене цепи привода ГРМ Mazda Verisa/Demio.
Как провести процедуру самостоятельно?
Несмотря на утверждения работников автосервиса, проведение замены без посторонней помощи более чем возможно. Нет, это отнюдь не простой вид ремонтных работ, но при должном желании и наличии необходимых инструментов с процедурой справиться даже неопытный водитель.
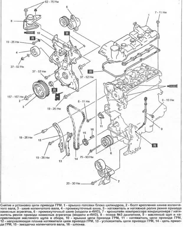
Кроме инструментов для демонтажа и установки понадобится детальная инструкция с иллюстрациями и рекомендациями. Найти ее вы сможете ниже. Обратите внимание на каждый совет от производителя. Подробный алгоритм позволит правильно выполнить замену цепи, если внимательно следовать его пунктам. Отклонения от него могут привести к необходимости в повторной замене.







Была ли эта статья полезной?
Ваш отзыв помогает нам улучшать контент.
Похожие материалы
Обсуждение (0)
Пока нет комментариев!