Технические данные DAF 75 FAV 75.270
- Общие данные
- Результаты испытаний на токсичность ОГ
- Данные по ходовой части
- Тормозная система
- Крутящие моменты затяжки
- Топливо
- Освещение
Общие данные
Общие основные параметры
Ход
132,00 mm
Внутренний диаметр цилиндра
118,00 mm
Клапанов на цилиндр
2
Зазор в клапанном приводе - впускной клапан
0,50 mm
Зазор в клапанном приводе - выпускной клапан
0,50 mm
Степень сжатия
16,10 :1
Минимальная высота головки цилиндра
113,50 mm
Результаты испытаний на токсичность ОГ
Общие показатели, влияющие на токсичность ОГ
Число оборотов на холостом ходу со ступенчатой коробкой передач
двигатель RS 200L
575 1/min
двигатель RS 200M
600 1/min
Число оборотов на холостом ходу с автоматической коробкой передач
двигатель RS 200L
575 1/min
двигатель RS 200M
600 1/min
Показатели состава ОГ дизельного двигателя
Число оборотов, ограничиваемое регулятором
2300 1/min
Данные по ходовой части
Обода колёс и шины
Давление в передних шинах
с 15-дюймовым ободом колеса
0,00 bar
с 17,5-дюймовым ободом колеса
0,00 bar
с 19,5-дюймовым ободом колеса
0,00 bar
с 20-дюймовым ободом колеса
0,00 bar
с 22,5-дюймовым ободом колеса
0,00 bar
Давление в задних шинах
с 15-дюймовым ободом колеса
0,00 bar
с 17,5-дюймовым ободом колеса
0,00 bar
с 19,5-дюймовым ободом колеса
0,00 bar
с 20-дюймовым ободом колеса
0,00 bar
с 22,5-дюймовым ободом колеса
0,00 bar
Тормозная система
Размеры тормозного механизма
Диаметр тормозного барабана передних колёс
1
314,00 mm
2
330,20 mm
3
393,70 mm
4
406,60 mm
5
420,00 mm
6
310,00 mm
7
325,00 mm
8
360,00 mm
9
375,00 mm
10
420,00 mm
Диаметр тормозного барабана передних колёс при предельном износе
1
317,30 mm
2
333,20 mm
3
396,70 mm
4
409,60 mm
5
425,00 mm
6
313,00 mm
7
328,00 mm
8
363,00 mm
9
378,00 mm
10
425,00 mm
1. размер расточки тормозного барабана передних колёс
1
316,30 mm
2
332,30 mm
3
395,70 mm
4
408,60 mm
5
423,00 mm
6
312,00 mm
7
327,00 mm
8
362,00 mm
9
377,00 mm
10
423,00 mm
Диаметр тормозного барабана задних колёс
1
314,00 mm
2
330,20 mm
3
393,70 mm
4
406,60 mm
5
420,00 mm
6
310,00 mm
7
325,00 mm
8
360,00 mm
9
375,00 mm
10
420,00 mm
Диаметр тормозного барабана задних колёс при предельном износе
1
317,30 mm
2
333,20 mm
3
396,70 mm
4
409,60 mm
5
425,00 mm
6
313,00 mm
7
328,00 mm
8
363,00 mm
9
378,00 mm
10
425,00 mm
1. размер расточки тормозного барабана задних колёс
1
316,30 mm
2
332,30 mm
3
395,70 mm
4
408,60 mm
5
423,00 mm
6
312,00 mm
7
327,00 mm
8
362,00 mm
9
377,00 mm
10
423,00 mm
Крутящие моменты затяжки
Моменты затяжки двигателя
Крышка клапана (комплект)
35 Nm
Опора коромысла
115 Nm
Контргайка регулировочного винта зазора в клапане
35 Nm
Приводная шестерня распределительного вала
425 Nm
зазор Loctite 243
Болты крепления головки блока цилиндров
Ступень 01
50 Nm
Винты M16
Ступень 02
150 Nm
Винты M16
Ступень 03
95 Nm
Винты M12
Ступень 04
60°
Винты M16
Ступень 05
60°
Винты M16
Впускной коллектор
40 Nm
Выпускной коллектор
50 Nm
Использовать монтажную пасту
Виброгаситель
Ступень 01
40 Nm
зазор Loctite 243
Ступень 02
60 Nm
Ступень 03
90 Nm
Ременный шкив коленчатого вала
20 Nm
зазор Loctite 243
Маховик
130 Nm
зазор Loctite 243
Винт(ы) спуска масла
60 Nm
Корпус масляного фильтра
35 - 40 Nm
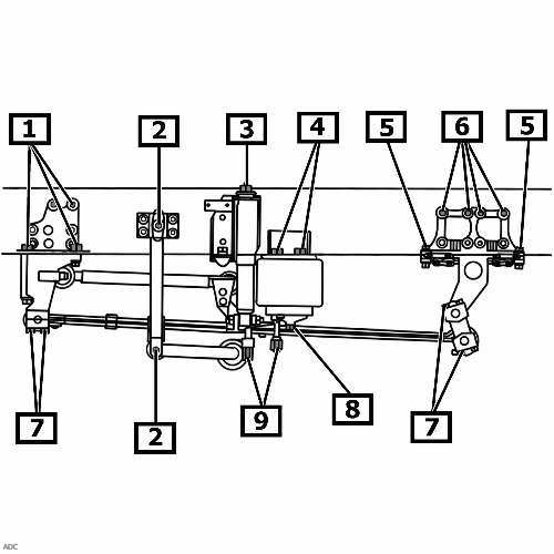
Моменты затяжки на передней ходовой части
Подвеска переднего моста
1, с пневматическими подвесками
255 - 295 Nm
1, с рессорными подвесками
390 - 460 Nm
2, с пневматическими подвесками
240 - 280 Nm
2, с рессорными подвесками
240 - 280 Nm
3, с пневматическими подвесками
65 Nm
3, с рессорными подвесками
65 Nm
4, с пневматическими подвесками
46 Nm
4, с рессорными подвесками
155 - 185 Nm
5, с пневматическими подвесками
240 - 280 Nm
6, с рессорными подвесками
440 - 520 Nm
7, с рессорными подвесками
102 - 118 Nm
5, Класс прочности 8.8, M10, с рессорными подвесками
42 - 50 Nm
5, Класс прочности 10.9, M10, с рессорными подвесками
56 - 64 Nm
6, с пневматическими подвесками
155 - 185 Nm
7, Класс прочности 8.8, M10, с пневматическими подвесками
42 - 50 Nm
7, Класс прочности 10.9, M10, с пневматическими подвесками
56 - 64 Nm
8, с пневматическими подвесками
195 Nm
9, с пневматическими подвесками
440 - 520 Nm
10
>
Не отмеченные точки затяжки, нет указаний производителя.
Моменты затяжки для коробки передач
Резьбовая пробка маслоналивного отверстия коробки передач
Коробка передач ZF
60 Nm
Резьбовая пробка маслоналивного отверстия раздаточной коробки
60 Nm
Резьбовая пробка контроля уровня масла дифференциала
85 Nm
Резьбовая пробка маслосливного отверстия коробки передач
КПП «Аллисон»
30 Nm
Коробка передач ZF, M24
60 Nm
Коробка передач ZF, M38
120 Nm
Резьбовая пробка маслосливного отверстия дифференциала
85 Nm
Резьбовая пробка маслосливного отверстия раздаточной коробки
50 Nm
Крышка масляного фильтра коробки передач
КПП «Аллисон»
55 Nm
Коробка передач ZF, с трансмиссионным тормозом
23 Nm
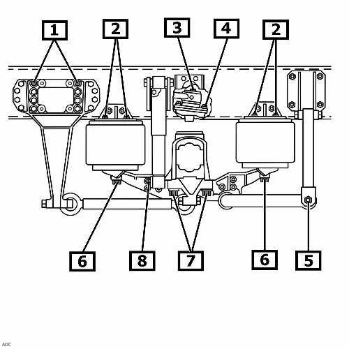
Моменты затяжки на задней ходовой части
Подвеска заднего моста
1, с пневматическими подвесками
255 - 295 Nm
1, с рессорными подвесками
240 - 280 Nm
2, с пневматическими подвесками
46 Nm
2, с рессорными подвесками
65 Nm
3, Класс прочности 10.9, M14, с рессорными подвесками
155 - 185 Nm
3, Класс прочности 10.9, M16, с рессорными подвесками
240 - 280 Nm
3, Класс прочности 10.9, M14, с пневматическими подвесками
136 - 160 Nm
3, M16, с пневматическими подвесками
135 Nm
4, с пневматическими подвесками
420 - 500 Nm
4, Класс прочности 8.8, M10, с рессорными подвесками
42 - 50 Nm
4, Класс прочности 10.9, M10, с рессорными подвесками
54 - 60 Nm
5, с пневматическими подвесками
>
Применять приспособления против отвинчивания.
5, с рессорными подвесками
200 - 270 Nm
7, с рессорными подвесками
550 - 650 Nm
Жёлтая высокая шестигранная гайка M 24 с чёрной подкладной шайбой.
6, Класс прочности 10.9, M12, с рессорными подвесками
102 - 118 Nm
6, Класс прочности 10.9, M14, с рессорными подвесками
150 - 185 Nm
6, с пневматическими подвесками
195 Nm
7, с пневматическими подвесками
710 - 830 Nm
Чёрная высокая шестигранная гайка M 24 с чёрной подкладной шайбой.
8, с пневматическими подвесками
175 - 225 Nm
9
>
Не отмеченные точки затяжки, нет указаний производителя.
Топливо
кол-во и спецификация
Моторное масло с фильтром
с масляным радиатором
24,00 литра(ов)
Спецификация моторного масла
ACEA E3|ACEA E4|ACEA E5
Ступенчатая коробка передач
Коробка передач ZF 9S 109
8,00 литра(ов)
Коробка передач ZF 9S 109, с трансмиссионным тормозом
10,00 литра(ов)
Коробка передач ZF 16S 109
8,50 литра(ов)
Коробка передач ZF 16S 109, с трансмиссионным тормозом
10,50 литра(ов)
Спецификация масла ступенчатой коробки передач
Коробка передач ZF
ZF TE-ML 02B|ZF TE-ML 02C|ZF TE-ML 02D|ZF TE-ML 02H|ZF TE-ML 02L
Коробка передач ZF, с трансмиссионным тормозом
ZF TE-ML 02C|ZF TE-ML 02D|ZF TE-ML 02H|ZF TE-ML 02L
Автоматическая КПП
КПП «Аллисон», 2'' масляный поддон
18,00 литра(ов)
КПП «Аллисон», 4'' масляный поддон
20,00 литра(ов)
Спецификация масла автоматической коробки передач
КПП «Аллисон», минеральным маслом
ATF Dexron III|Allison C4
Раздаточная коробка
Штайер
6,40 литра(ов)
Спецификация раздаточной коробки
Штайер
API GL4 SAE 90|API GL5 SAE 90
Охлаждающая жидкость
47,00 литра(ов)
с тормозом-замедлителем ZF
37,00 литра(ов)
Спецификация масла для дифференциала 1. переднего моста
вариант 1, передний мост 2235V
SAE 85 W 140 GL5
вариант 2, передний мост 2235V
SAE 80 W 140 GL5
Дифференциальное масло 1. для заднего моста
Задний мост 1132T
21,00 литра(ов)
Задний мост 1355T
13,00 литра(ов)
Спецификация масла для дифференциала 1. заднего моста
GL4/5
Дифференциальное масло 2. для заднего моста
Задний мост 1132T
15,00 литра(ов)
Задний мост 1355T
11,00 литра(ов)
Спецификация масла для дифференциала 2. заднего моста
GL4/5
Передача колеса задней оси с обеих сторон 1.
Задний мост 1132T
1,60 литра(ов)
Задний мост 1355T
4,00 литра(ов)
Спецификация зубчатой передачи 1. заднего моста
GL4/5
Передача колеса задней оси с обеих сторон 2.
Задний мост 1132T
1,60 литра(ов)
Задний мост 1355T
4,00 литра(ов)
Спецификация зубчатой передачи 2. заднего моста
GL4/5
Спецификация жидкости сцепления
DOT3/DOT4
Освещение
Источники света
Боковой фонарь указателя поворота
>
Оригинальная деталь
Фонарь освещения номерного знака
>
Оригинальная деталь








