Ремонт и настройка регуляторов RQ на ТНВД Камаз
Базовые данные для ремонта и регулировки топливных насосов высокого давления 0 402 648 611, устанавливаемых на ДВС автомобилей КамАЗ. Регуляторы RQ и RQV будут рассматриваться в сравнении с механическими регуляторами RQV…K, устанавливаемым на ДВС автомобилей КамАЗ.
Ремонт ТНВД с регуляторами RQV…K
Общее описание сборки ТНВД
Перед началом сборки ТНВД необходимо произвести мойку и дефектовку. Мойку деталей топливного насоса и корпусов форсунок целесообразно производить в мойках барабанного типа, работающих по замкнутому циклу. Автор в течении последних 5 месяцев использует мойку Гейзер с диаметром барабана 700 мм.

Рисунок 1.1 – Набор инструмента для установки и фиксации плунжера.
При дефектовке деталей ТНВД и регулятора автором рекомендуется замена следующих запасных частей при износе плунжерных пар:
- 2 418 455 727 – Пара плунжерная – 8 шт.;
- 2 418 459 037 – Клапан нагнетательный – 8 шт.;
- 2 414 612 005 – Пружина клапана – 8 шт.;
- 2 410 422 013 – Втулка поворотная плунжера (при наличии износа шара, смотреть в лупу 8х);
- 2 417 010 022 – Ремкомплект ТНВД полный;
- 2 427 010 049 – Ремкомплект регулятора ТНВД;
- 2 421 015 057 – Прокладка регулятора;
- 2 447 010 043 – Ремкомплект клапанов ТННД.

Рисунок 1.2 – Положение кулачков кулачкового вала при установке и снятии стопоров толкателей.
При дефектовке обратить внимание на рабочие поверхности кулачкового вала, толкателей, подшипников и пружин. Корпус ТНВД должен быть очищен, перед мойкой следует удалить все кольца, оставшиеся после демонтажа втулок плунжера.
На рисунке 1.1 представлены инструменты для установки плунжера и толкателя и фиксации толкателя.
Положение фиксатора толкателя таково, что каталожный номер, указанный на корпусе толкателя расположено сверху, а метка 0 на поворотной части фиксатора – снизу. Стопоры толкателей устанавливать и демонтировать на полностью отжатые кулачки с целью предотвращения поломки стопоров.
Кулачковый вал следует устанавливать как указано на рисунке 1.2.Установку кулачкового вала производить как указано на рисунке 1.3.

Рисунок 1.3 – Установка кулачкового вала ТНВД.
Демонтаж и установку кулачкового вала в корпус ТНВД производить при помощи пресса либо же легкими ударами через медную или алюминиевую наставку. Все ударные работы рекомендуется производить резиновыми молотками. Металлические заглушки использовать однократно.
Регулировка ТНВД на стенде
На стенд устанавливается собранный ТНВД. Первоначально производим регулировку углов подачи секций ТНВД в соответствии с тест-планом.

Рисунок 1.3 – Установка кулачкового вала ТНВД.
На рисунке 2.1 показано подключение подачи тестовой жидкости в ТНВД на стенде. Точка подключения подачи указана в тест-плане на каждый ТНВД. Точка подключения с передней части ТНВД – точка 1, с задней – 2. Подключение подачи в нашем случае осуществляется к точке 3.2, в обратный слив соответственно – к точке 3.1.
В таблице 2.1 указаны высоты поднятия плунжера на ТНВД автомобилей КамАЗ различных моделей, при которых происходит перекрытие подачи топлива.
Таблица 2.1 – Высота подъема плунжера на ТНВД автомобилей КамАЗ
| Модель ТНВД | 0 402 648 608 | 0 402 648 609 | 0 402 648 610 | 0 402 648 611 |
| Мощность, л.с. | 240 | 360 | 320 | 260 |
| Ход рейки, мм | 10,5 | 10,5 | 10,5 | 10,5 |
| Ход плунжера, мм | 5,0 | 4,4 | 4,6 | 4,8 |
При регулировке углов вместо обратного клапана устанавливается заглушка и поддерживается давление 26 бар, ход рейки и высота подъема плунжера соотвествуют данным из таблицы 2.1. Далее производится значений начала подачи секциями ТНВД в соответствии с тест-планом. В нашем случае это 1 – 7 – 5 – 2 – 4 – 3 – 8 – 6 с шагом 45 градусов.
Для регулировки поднятия момента перекрытия подачи топлива использовать качественные регулировочные шайбы. На практике встречаются шайбы «левых» производителей, толщина которых отличается от выбитой на шайбе на 0,05 мм и более.
Приспособление для выхода рейки можно сделать аналогично указанному на рисунке 2.2.

Рисунок 2.2 – Установка хода рейки.

Рисунок 2.3 – Установка приспособлений для измерения хода рейки и высоты подъема плунжера.
На рисунке 2.3 изображены приспособления для хода рейки и высоты подъема плунжера. Значения всех параметров не должны превышать указанные в тест-плане.
При установке момента подачи перекрытия топлива следует учесть, что плунжерные пары Bosch подачу в большинстве случаев перекрывают не полностью. Допускается падение капель с интервалом 1 капля в секунду (а возможно и чаще).
Далее согласно тест-плана устанавливаем маяк подачи топлива. Данную операцию необходимо проводить на всех ТНВД. В нашем случае устанавливаем лимб стенда в положение 270 градусов от 1 секции, что соответствует началу подачи 8 секции и устанавливаем ведущую полумуфту муфты грузов, как указано на рисунке 2.4.
После окончания ремонта следует установить привод ТНВД и установив маяк как указано на рисунке 2.4, проверить совпадение меток на корпусе ТНВД и приводной муфте.
Конические поверхности кулачкового вала и ведомой полумуфты перед сборкой обезжирить, обработать составом Loxeal 82-21 или аналогичным и произвести затяжку с моментом 75 Нм.

Рисунок 2.4 – Установка маяка начала подачи топлива.

Рисунок 2.5 – Пружинный блок муфты грузов.
На рисунке 2.5 показано устройство пружинного блока муфты грузов. Следует отметить, что в отличии от устройства пружинных блоков регуляторов RQ и RQV в данном блоке отсутствуют какие-либо регулировки, кроме натяжных гаек (смотри далее). В разделе D (запасные части) ESI(tronic) указаны регулировочные шайбы и втулки регуляторов RQ и RQV, однако в продаже их нет.
Пружины грузов и посадочные места не должны быть деформированы и иметь заломов. Сборка пружинного блока должна соответствовать разделу D (запасные части) ESI (tronic). Выступ шпилек собранных пружинных блоков должен быть равен 1 мм (рисунок 2.6). Собрать пружинные блоки в соответствии со схемой, указанной в ESI (tronic).
В ходе следующей регулировки допускается изменение данного размера от 0 (гайка заподлицо со шпилькой) до 2,5 мм. При этом на обеих шпильках выступ должен быть одинаковым!

Рисунок 2.6 – Базовая регулировка выступа шпильки 1 мм (допускается 0 – 2,5 мм).

Рисунок 2.7 – Регулировка осевого хода муфты грузов.
Далее следует установить муфту грузов без резиновых демпферов для регулировки ее осевого хода, как указано на рисунке 2.7. Момент затяжки гайки 75 Нм. При этом муфта должна свободно проворачиваться, но не иметь осевого хода. Регулировка производится круглой шайбой. Толщина регулировочных шайб от 1,60 до 2,14 мм с шагом 0,03 мм. Рекомендуется уменьшать толщину шайб до тех пор, пока муфту не начнет зажимать, затем толщину шайб увеличить до свободного проворота муфты, затем установить демпферы и затянуть предписанным моментом 65 – 75 Нм.
Далее производим регулировки вертикального и горизонтального размеров рычажной группы как указано на рисунках 2.8 и 2.9.

Рисунок 2.8 – Горизонтальный размер 67,3 мм.

Рисунок 2.9 – Вертикальный размер 135,8 мм.
Горизонтальный размер 67,3 мм – это центры осей, вертикальный размер 135,8 мм – середина оси отверстия – середина К-платы (скошенной части). Данные размеры действительные для всех регуляторов RQV…K, устанавливаемых на ТНВД размерности Р.

Рисунок 2.10 – Регулировка выступания скользящего болта.
Правильная регулировка горизонтального и вертикального размеров снижает избыточные нагрузки рычажной группы регулятора.
Далее устанавливаем направляющую втулку плавающей оси, стопорные пластины заменяем на новые из ремкомплекта, момент затяжки болтов 6 – 8 Нм. При помощи приспособления 1 682 329 081 (рисунок 2.10) регулируем размер выступания скользящего болта от корпуса регулятора.
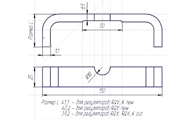
Чертеж измерительного приспособления представлен на рисунке 2.11.

Рисунок 2.11 – Измерительное приспособление.
Следует отметить, что для топливных насосов, устанавливаемых на двигатели Камаза необходим размер L равный 41,3 мм. Неуказанные размеры не важны и выбираются самостоятельно.
Стопорный палец и пружинные фиксаторы следует заменять на новые из ремкомплекта.
Устанавливаем рычажный блок (рисунок 2.12). Следует отметить, что шайбы под пружинным стопором являются регулировочными.
Установку индикаторной головки производить с предварительным натягом не менее 15 мм как указано на рисунке 2.12. Индикаторную головку применять с ходом измерения не менее 25 мм.

Рисунок 2.12 – Подготовка к проверке хода муфты.
Положение рейки при этом должно быть зафиксировано на отметке 9 мм. Ходы муфты при различных оборотах должны соответствовать указанным в таблице 2.2.
Таблица 2.2 – Ходы муфты при различных оборотах кулачкового вала
Количество оборотов КВ | Ход муфты, мм |
|---|---|
1360 | 13,5 ± 0,5 |
1157 | 10,45 ± 0,15 |
763 | 6,21 ± 0,25 |
460 | 3,77 ± 0,25 |
Регулировка производится поворотом гаек муфты грузов. Допускается выступание гайки от 0 до 2,5 мм (рисунок 2.6).
Велика вероятность установки муфты грузов с «похожего» ТНВД предыдущими ремонтниками, существует так же возможность просадки пружин. Поэтому данные измерения следует производить обязательно и отслеживать и регулировать для попадания в указанные границы. Детали муфты грузов в запасные части не поставляются. Только данная регулировка производится со снятой крышкой регулятора.
Далее устанавливаем ограничитель полной нагрузки. Перед установкой ограничителя следует сверить каталожный номер и номер, выбитый на его корпусе. В таблице 2.3 указана применяемость ограничителей на ТНВД автомобилей КамАЗ.
Таблица 2.3 – Применяемость ограничителей полной нагрузки
Модель ТНВД | Каталожный номер | Маркировка |
|---|---|---|
0 402 648 608 | 2 427 134 823 | 2 823 |
0 402 648 609 | 2 427 134 825 | 2 825 |
0 402 648 610 | 2 427 134 826 | 2 826 |
0 402 648 611 | 2 427 134 827 | 2 827 |
На рисунке 2.13 указана установка ограничителя полной нагрузки. Устанавливать его следует таким образом, чтобы при попадании К-платы в точку, указанную в правой части рисунка как положение при n = 900 и 1100 об/мин, ход рейки составлял 12 мм.

Рисунок 2.13 – Установка ограничителя полной нагрузки.
Далее устанавливаем крышку регулятора. При этом сухарь кулисы должен находится конической выемкой вверх. Прокладку крышки регулятора при этом устанавливаем новую. Далее устанавливаем ось ведущих рычагов и с моментом затяжки 6 – 8 Нм производим затяжку их заглушек и винтов крепления крышки ТНВД.
Перед дальнейшими регулировками следует залить 200 – 300 грамм моторного масла в картер ТНВД.
Для понятия процессов при регулировке рекомендую также изобразить внешнюю скоростную характеристику регулятора, как показано на рисунке 2.14. На данной схеме требуется изобразить фактические положения рейки в зависимости от оборотов кулачкового вала. На данной схеме указаны точки регулировки при положении рычага управления регулятора при максимальной нагрузке.

Рисунок 2.14 – Внешняя скоростная характеристика регулятора ТНВД.
Устанавливаем приспособление в таком положении угломера, как указано в левой части на рисунке 2.15. В правой части рисунка он установлен в положение рычага управления максимальной подачи топлива 119 градусов (допустимые значения от 115 до 123).

Рисунок 2.15 – Угломерное приспособления для рычага управления.
При таком положении рычага управления, заданном давлении топлива 2 бар (используем перепускной клапан 1 417 413 047, указанный в тест-плане) задаем число оборотов кулачкового вала 1100 об/мин. При этом ход рейки должен составлять 12 мм, а объем тестовой жидкости, проливаемой через стендовые форсунки – 174 см3/1000 циклов. При этом допускаемый разбег подачи топлива по секциям ТНВД составит не более 5 см3/1000 циклов.
Если ход рейки ниже 12 мм, следует определить причину. Это либо начал действовать регулятор и начал выброс рейки, что можно проверить снизив число оборотов вращения кулачкового вала. Либо же это К-плата касается не в точке максимальной нагрузки и требуется изменить ее угол.
Устанавливаем число 1150 оборотов в минуту, ход рейки должен снизиться до 11,0 мм, при числе оборотов 1230 – 4,0 мм, при числе оборотов 1300 – 0,5 мм. Далее, устанавливаем положение рычага управления на 71 градус (допустимые значения от 67 до 75 градусов) для регулировки в режиме холостого хода. Ход рейки в режиме холостого хода равен 5,3 мм, цикловая подача – 13 см3/1000 циклов. При этом допускаемый разбег подачи топлива по секциям ТНВД составит не более 6 см3/1000 циклов. Далее уменьшаем число оборотов до 200, ход рейки при этом возрастает. При повышении оборотов ход рейки уменьшается. В этом и есть принцип действия работы регулятора.
Производим контроль хода рейки на различных оборотах (таблица 2.4). Я рекомендую и на этих измерениях проверять неравномерность подачи топлива, несмотря на то, что в тест-плане данных рекомендаций нет.
Таблица 2.4. Ходы рейки
Число оборотов | Ход рейки |
|---|---|
1100 | 12,0 |
900 | 12,0 |
700 | 11,90 |
500 | 9,40 |
Произвести перепроверку измерений дважды при поднятии и опускании числа оборотов кулачкового вала.
Далее устанавливаем пневматический корректор на ТНВД. Регулировки корректора по наддуву можно производить при помощи его положения на корпусе регулятора либо поворотом вала, на котором находится ограничивающий элемент.
Показания должны соответствовать указанным в тест-плане. В последнюю очередь производится проверка цикловых подач при пуске.
Была ли эта статья полезной?
Ваш отзыв помогает нам улучшать контент.
Обсуждение (1)
Инфа толковая полезная нужна помощь в настройке ТНВД BOSCH