Регулировка фар Suzuki Grand Vitara
Регулировка фар Сузуки Гранд Витара – важная процедура, которая должна выполняться после каждого снятия и установки осветительных приборов автомобиля. Игнорируя ее, владелец подвергает серьезной опасности себя, пассажиров и других участников дорожного движения.
Для того чтобы правильно провести регулировку следует обратить внимание на следующие рекомендации:

- Настройка света должна проводиться на ровной поверхности.
- Для лучшего результата следует симулировать нагрузку внутри автомобиля. Можно положить груз в багажное отделение, на пассажирское сиденье и на место водителя. Его масса должна соответствовать той, которая будет находиться в салоне во время движения авто.
- Нельзя забывать о полноте топливного бака и проверить давление в шинах на соответствие принятой норме. Это позволит правильно выставить корпус автомобиля и максимально снизить погрешность в настройках.
- Перед тем, как приступать к регулировке фар Suzuki Grand Vitara, следует ознакомиться с алгоритмом действий в инструкции от производителя и подготовить нужные инструменты.
Ключом к успешной регулировке станет аккуратность и внимательность владельца Suzuki Grand Vitara. Следуя предписаниям, даже неопытный водитель сможет настроить свет фар не хуже специалистов в СТО. При этом экономия на услугах автосервиса позволит сберечь денежные средства и вложить их во что-то более важное.
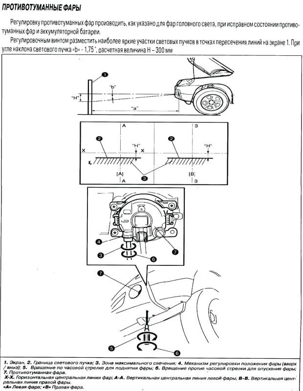
Ознакомиться с инструкцией от создателя модели Grand Vitara вы можете далее. Обратите внимания на иллюстрации и замечания от авторов. Все это поможет понять, как правильно провести процедуру регулировки, не совершив фатальных ошибок.


Была ли эта статья полезной?
Ваш отзыв помогает нам улучшать контент.
Похожие материалы
Обсуждение (0)
Пока нет комментариев!