Какой номер датчика давления топлива?
Iran Khodro Samand Samand
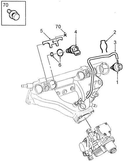
Добрый день. Какой номер датчика давления для CR 2500 — 3000 bar? Нужно для стенда для проверок форсунок.
1 Ответы
0
Вы наверное имеете ввиду — регулятор давления топлива?
Его артикул 0 280 160 560

Установлен на топливной рейке (позиция №1)

задан 5 лет назад
Похожие материалы
Какой аналог внутреннего правого ШРУСа на Саманд?
Qa
568
1
Какой момент затяжки ГБЦ Саманд Се 1.6 16 клапанов?
Qa
856
1
Замена ремня ГРМ на Саманд 1.8
Статьи
21.1k
14
0
Перегорает 19 предохранитель подсветки приборов Ходро Саманд
Qa
1k
1
Какие аналоги стойки и привода на Саманд?
Qa
2.3k
4
Загорается лампочка неисправности тормозной системы в Ходро Саманд
Qa
1.1k
3