Где стоит датчик скорости на Ауди 80?
Audi 80 80 III (B2)
2 Ответы
1
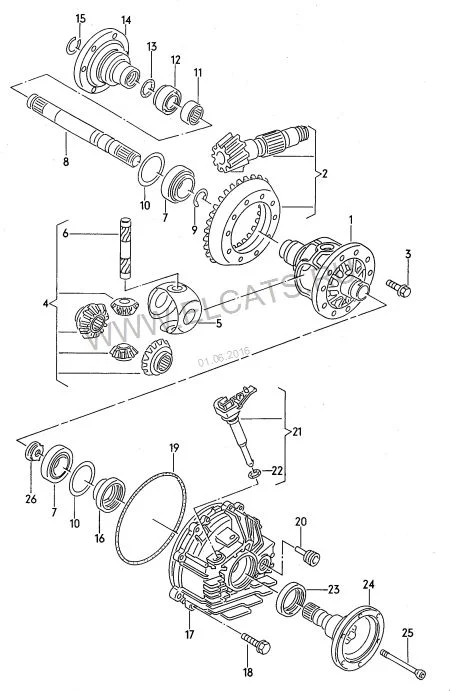
Ваш редуктор? №21 на фото

задан 9 лет назад
0
Посмотрите здесь
задан 9 лет назад
Похожие материалы
Как проверить датчик скорости
Статьи
553.6k
334
35
Проверка датчиков двигателя
Статьи
351.1k
451
3
Неисправность датчика детонации
Статьи
303.2k
302
4
Неисправности датчика дроссельной заслонки
Статьи
278.4k
203
6
Неисправность датчика расхода воздуха
Статьи
250.3k
269
20
Проверка датчика температуры охлаждающей жидкости
Статьи
248.6k
184
26